
gongjigongyi.com
与米乐m6网页版登录入口代表实时聊天。 工作时间:上午 9:00 - 下午 5:00(太平洋标准时间)。
致电我们
工作时间:上午9:00-下午5:00(太平洋标准时间)
下载
下载手册、产品技术资料、软件等:
反馈
高级功率测量和分析:4/5/6-PWR
4/5/6 系列 MSO 选项 4-PWR-BAS、5-PWR 和 6-PWR 应用产品技术资料

通过 4/5/6 系列 MSO 上的高级功率测量和分析功能,更深入地了解电源系统。示波器、分析软件与各种电压探头和电流探头相结合,即使您不是功率转换专家,也能自动执行精确的功率系统测量。示波器中 的 12 位模数转换器提供了高精度测量数据,手势开合/滑动/缩放触控界面则可以简便地管理测量数据。丰富的图形功率分析工具、高通道数和大型高清显示器可提供全面的功率系统视图。这些仪器支持各种电压和电流探头,包括前沿的 IsoVu™ 光隔离电压探头。IsoVu 探头出类拔萃的共模抑制比与高级功率测量和分析软件的自动测量功能相结合,可以有效优化最新的 GaN 和 SiC 设计。
主要测量
- 输入测量
- 功率测量真实功率、视在功率、功率因数和相位角
- 总谐波失真和波峰因数测量
- 谐波测量、柱状图和表格
- 幅度可以简便地测量每个周期的电压或电流,包括最小值、最大值、幅度和峰峰值
- 输入电容使用电压和电流信号测量电容值
- 涌入电流测量峰值电流
- 开关器件测量
- 开关损耗测量开关器件中的启动损耗、关闭损耗和传导损耗
- 安全作业区 (SOA)提供了可以量身定制的安全作业区模板测试功能。
- 定时分析可以使用脉宽、占空比、频率或周期的趋势图或直方图,简便地分析脉宽调制的开关信号
- RDS(on) 测量开关器件处于 On 状态时的动态电阻
- 磁性分析测量(仅在 5/6-PWR 中提供)
- 电感测量磁芯的电感
- 磁性特点测量并绘制电感器 B - H 曲线。
- 磁性损耗测量和计算总磁性损耗
- I 相对于 ∫V 关系显示了I 和 ∫V 波形图
- 输出测量
- 工频纹波测量与输入工频频率有关的 AC 信号能量。
- 开关纹波测量与开关频率有关的 AC 信号能量。
- 效率把测得的输出功率除以测得的输入功率,来测试电源效率
- 启动时间测量被测器件的输入电压变成“高”到输出电压到达稳定状态之间的时延。
- 关闭时间 测量从被测器件的输入电压变成零状态到输出电压变成零状态之间的时延。
- 频率响应测量(仅在 5/6-PWR 中提供)
- 控制环路响应(博德图) 绘制闭环电路的频率和相位响应,自动计算增益和相位裕量。
- 电源抑制比 (PSRR) 分析 DC-DC 转换器的纹波抑制功能。
- 阻抗分析通过使用示波器启用对配电网络 (PDN) 的 2 端口阻抗测量。
主要功能
- 使用 4/5/6 系列 MSO 的手势开合/滑动/缩放触控界面,增加、配置和删除自动测量。
- 自动生成报告,在单个可编辑的 mht 文件或 pdf 文件中简便地存档测试结果,包括测量、测试结果和示图
- 使用选配的集成任意波形/函数发生器进行频率响应分析(仅在 5/6-PWR 中提供)。还支持外置 AFG31000 系列函数发生器。
- 各种电压探头和电流探头,包括一流的 IsoVu 光隔离电压探头,满足各种应用需求
- 通过远程接口配置任何测量,传送任何结果,实现自动测试
输入分析
功率质量测量、电流谐波、输入电容和涌入电流是在电源输入部分经常进行的四种测量,以分析电源对电源工频的影响,评估电源在各种工频条件下的性能。
电源质量
这些测量是为工频频率优化的,通常在电源的 AC 工频输入上执行。它们可以快速查看输入的功率及失真水平。
测量包括:
RMS 电压和电流
频率
真实功率、视在功率和无功功率
功率因数
THD 和波峰因数

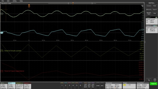
功率质量测量提供了多种格式的信息。数值结果 (右上角)、表格 (上方)及瞬时功率波形和能量图(下方)
谐波
输入上带有非线性器件(如整流器)的任何电源对 AC 线路都会表现为非线性负载。如果没有缓解措施,谐波能量过高会影响与电源线相连的其他设备的运行,提高传送电力的成本。这会导致电源线供电的设备产生标准限制谐波。
高级功率测量和分析包括 IEC61000-3-2、AM 14 和 MIL- STD-1399 标准等测试极限,帮助您在投入正式一致性测试前进行预一致性测试。它以图形格式和表格格式显示高达 100 阶谐波,让您轻松浏览测试列表,获得任何一个谐波的细节。

谐波柱状图、谐波结果表、通过结果列表浏览功能(右上方)
输入电容和涌入电流测量
4-PWR-BAS、5-PWR 和 6-PWR 提供了峰值涌入电流和电容测量功能,可以测试运行中的开关电源。
涌入电流、输入浪涌电流或开关浪涌是电器件第一次开机时吸收的最大瞬时输入电流。功率转换器和涌入电流要超过其稳态电流,这源于输入电容的充电电流。测量涌入电流和输入电容具有重要意义,以确保设计高效运行。

使用横贯功能测量输入电容和涌入电流
开关分量分析
随着人们要求实现更高的功率转换效率和更高的可靠性,准确地计算和评估电源中的能量损耗变得越来越关键。
开关损耗测量
尽管电源的大多数组件都会产生能量损耗,但开关式电源 (SMPS) 中明显的能量损耗部分发生在开关晶体管从关闭 (Toff) 状态变成打开 (Ton) 状态时或反之(关闭损耗)。通过测量经过开关器件的电压下跌及流经开关器件的电流,高级电源分析功能自动计算每个周期的开关损耗指标。
直到最近,在半桥开关阶段的高侧进行开关测量几乎是不可能的。任何相对于开关节点的测量,包括高侧VDS和经过电流并联装置的电压,都会受到施加在差分信号上明显的共模电压信号产生的失真影响。这个问题在宽禁带器件中会更加糟糕,如 GaN 和 SiC 晶体管,因为开关频率会提高,必需优化新的设计。
4/5/6 系列 MSO 是为用于 IsoVu 光隔离探头设计的,即使存在高共模信号时,设计人员仍能执行准确的开关测量。

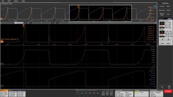
开关损耗显示了 FET 中的功耗。波形用带颜色编码的标记标注,表明 Ton、Toff和总周期的测量区域,与结果标签中的值相对应。结果标签中的控制功能可以简便地翻查各个周期的数据。
开关损耗测量包括专门设置,在有源功率因数校正阶段生成稳定的、可重复的测量,并回扫转换器。
您可以使用轨迹图,概括了解捕获的所有周期的开关损耗。它自动绘制打开和关闭过程中经过开关的电压相对于经过开关的电流关系图,您可以一目了然地判断所有周期的开关损耗范围。

开关损耗轨道图(上方窗口)在一个示图中显示了所有开关周期的 Ton 损耗和 Toff 损耗。
安全作业区
安全作业区(SOA)图示为评估开关器件、确保压力不会超出最大指标提供了一种图形技术。可以使用SOA测试,验证各种工作条件下的性能,包括负载变化、温度变化以及输入电压变化。模板测试还可以与 SOA 示图一起使用,自动完成验证。
安全作业区(SOA)图及模板帮助检验开关器件在变化的工作条件下位于SOA包络内。
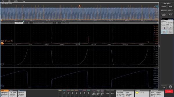
RDS(on)
这一测量表征开关器件启动并传导电流的传导过程中的电阻。动态开点电阻是启动时经过器件的电压与流经器件的电流之比。该软件确保高亮显示及放大采集中的最小 RDSon值,以方便查看。此外,横贯功能帮助您从周期间值移动到各自的 RDSon值。
RDS(on) 测量
磁性分析(仅在 5/6-PWR 中提供)
支持以下测量:
- 电感
- 磁性特点包括 BH 曲线
- 磁损耗
- I 相对于 ʃV 关系图
磁性器件是任何电源系统的重要组成部分。电感器和变压器在开关式电源和线性电源中都作为能量贮存设备使用。某些电源还在输出阶段的滤波器中使用电感器。考虑到其在系统中发挥着重要作用,必须表征这些磁性器件,确定电源的稳定性和整体效率。
电感
电感器的阻抗会随着频率提高而提高,频率越高,阻抗越高。这种特点称为电感,用亨利为单位。可以使用高级功率测量和分析软件,自动测量电感。
磁损耗
分析磁功率损耗对准确地表征开关电源的效率、可靠性和性能至关重要。高级功率测量和分析软件测量感性总磁性功率损耗,如下图所示。
B-H 图
磁性材料的特点用磁通量密度(B)、磁场强度(H)和材料的磁导率(μ)来描述。B-H 图通常用来检验开关电源中磁元素的饿和度(或缺失度),用来衡量磁芯材料中单位体积损失的能量。高级功率测量和分析软件测量经过磁元素的电压及流经磁元素的电流,绘制 B 相对于 H 关系图,如下图所示。您可以同时测试变压器中多个二级线圈,从而确保更快的验证/测试时间,进而加快产品开发周期。
I 相对于 ∫V 关系图
I 相对于 ∫V 关系图可以了解与电压和电流成正比的B 和 H 值。这是电压和电流波形的积分,采用 X-Y 示图格式,如下图所示。
B-H 曲线、I 相对于 ʃV 关系及电感图,进行磁性分析测量
输出分析
DC 输出电源的最终目标是把输入功率转换成一个或多个DC 输出电压。开关电源最重要的输出测量是工频纹波和开关纹波。
工频和开关纹波
电源的 DC 输出质量应该干净,拥有最小的 AC 噪声和纹波。高级功率测量和分析软件测量纹波,帮助您隔离原因。线路纹波测量指明与输入工频有关的 AC 信号数量 (因为输入经过整流,所以工频纹波通常是 AC 线路频率的两倍)。开关纹波测量与开关频率有关的AC信号量。

纹波分析帮助把工频纹波与更高频的开关噪声区分开来。
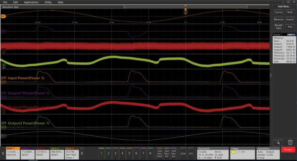
效率
在当今激烈竞争的环境中,器件或产品效率是一个关键的差异化指标。高级功率测量和分析软件可以简便地测量产品的功率转换效率(AC-DC, AC-AC, DC-DC, DC-AC)。
它可以一次测试多个输出上的功率效率,加快测试和验证速度。您可以独立配置每个输出。
效率测量

效率测量配置可以测试多输出功率转换器件(AC-DC, AC-AC, DC-DC 和 DC-AC)
启动时间和关闭时间
启动时间是指在启动输入电压后,输出电压到达稳定状态所用的时间。
关闭时间是指关闭输入电压后,输出到达零状态所用的时间。
SMPS 应在规定的启动时间和关闭时间上运行,这一点异常重要。如果市电与 SMPS 启动之间的时延与设计(一般为 1 ms)不符,那么它可能会扰乱某些灵敏负载的运行。大多数嵌入式系统使用不止一个电源,许多嵌入式系统使用多个输出。
4-PWR-BAS、5-PWR 和 6-PWR 自动进行这一测量,同时支持最多 5 个输出(4 系列 MSO)或最多 7 个输出(5 系列 MSO),或最多 3 个输出(6 系列 MSO)。

启动时间测量

关闭时间测量

启动时间测量配置支持多个输出设备

关闭时间测量配置支持多个输出
频率响应分析(仅在 5/6-PWR 中提供)
控制环路响应分析(博德图)、电源抑制比 (PSRR) 和阻抗测量提供关键测量,确保实现稳定的低噪声电源设计。虽然使用矢量网络分析仪或专用频响分析仪可以实现这种分析,但这些仪器要求大量的设置时间和很长的学习周期。高级功率测量和分析功能可以直接在 5 和 6 系列 MSO 上进行频响分析,利用选配的内置或外部任意波形/函数发生器的优势。
控制环路响应 (博德图)
通过博德图和增益/相位裕量测量,设计人员可以确定电源控制环路的稳定性。控制环路不稳定,会导致振动和效率下降。滤波器设计人员还使用幅度和相位示图测试滤波器设计。
自动控制环路响应测量使用内置 AFG,为扫描指定频率范围提供了单一来源,并绘制每个点上的幅度和相位图。信号使用注入变压器引入到控制环路中,比如 Picotest 的 J21xxA 型变压器。得到的增益和相位图 (波德图)用来自动计算增益和相位裕量。光标可以查看曲线中任意频率上的增益和相位值。
通过控制环路响应测量配置,用户可以设置 START 和 STOP 频率,选择恒定/幅度特点、阻抗和每10 Hz 的点数,以更好地绘制示图。

控制环路响应 (博德图) 绘制增益和相位相对于频率关系图,计算增益裕量和相位裕量。
电源抑制比 (PSRR)
通过 PSRR 测量,DC-DC 转换器和稳压器设计人员可以量化器件在规定频率范围内衰减 AC 的能力。这项测试使用 5/6 系列 MSO 选配的内置函数发生器或外部 Tektronix AFG31000 函数发生器,及注入变压器(如 Picotest J2120A Line Injector)来调制稳压器输入。系统自动测量被调制的输入和输出上的 AC 电压。它使用下述公式计算扫描的频带内每个频率上的抑制比:20Log (Vin/Vout),用示图表示结果。

电源抑制比 (PSRR) 绘制抑制比随频率变化,并标出最小值和最大值

通过测量控制回路响应和电源抑制比,您能够设置默认内部 AFG 或外部 AFG31000 系列的 START(开始)和 STOP(停止)频率。还使您能够选择常数/幅度轮廓、阻抗和每 10 倍频率范围内的测试点数,以获得更好的绘图渲染效果
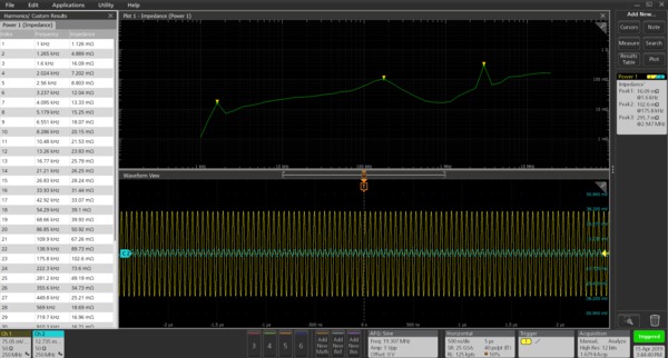
阻抗
2 端口阻抗测量使设计人员能够在指定的频率范围内验证其配电网 (PDN) 的阻抗。这项测试使用 5/6 系列 MSO 的可选内置函数发生器或外部 Tektronix AFG31000 系列函数发生器,及电源分路器、注入变压器(如 Picotest J2102A 或 J2113A Line Injector)来测量 PDN 网络的阻抗。系统自动计算扫频带各频率的阻抗,并绘制结果图。建议使用 TPR1000/4000 电源纹波探头、P6150 探头或直接 SMA 连接。
显示峰值阻抗点值的阻抗测量(包括结果表和结果标记)。
智能探头提供了准确的结果
降低噪声和消除探测误差,是改善功率系统测量精度途径之一。4/5/6 系列 MSO 及高级功率测量和分析软件支持各种探头,帮助满足不同的测量需求,并包括多种专门设计的功能,帮助最大限度地减少探测问题。
系统使用拥有 TekVPI 接口的电压探头和电流探头,支持在探头和示波器之间通信。探头可以把标度设置自动传送给示波器。在相应的探头上,可以控制距示波器前面板的距离,探头可以传送错误状况,如下巴部分张开或电流探头需要消磁。
对关键定时测量,如开关损耗,分析软件可以查询电压或电流探头,使用标称时延值,消除时延,同步电压波形和电流波形,获得准确的可重复的结果。
系统兼容 IsoVu 隔离测量系统。这些差分探测系统提供了全面光隔离功能、高达 1 GHz 的带宽及超高共模抑制比,特别适合功率系统中的 VGS, VDS或 VSHUNT测量。在优化采用宽禁带开关器件的设计方面,如 GaN 或 SiC 晶体管,IsoVu 探头无人能敌。
自动生成报告
数据采集、归档和文档管理可能会非常繁琐,但在设计开发流程中非常关键。4-PWR-BAS、5-PWR 和 6-PWR 分析软件包括一个自动报告生成器,可以方便地进行通信和保留记录。只需按几个按钮,就可以生成一份报告,显示所有有效的测量。增加图示或追加额外测试,量身定制报告。报告以可编辑的 .mht 文件提供,或以 .pdf 文件提供。下面显示了报告样本。









技术规格
- 输入分析
- 真实功率, 视在功率, 功率因数, 无功功率, 波峰因数, 相位角, THD, 谐波, 输入电容, 涌入电流, D0-160G, EN61000-3-2, EN61000-3-2 AM14 和 MIL-STD-1399 (400 Hz) 标准预一致性测试
- 幅度测量
- 周期幅度, 周期顶部, 周期底部, 周期最小值, 周期最大值, 周期峰峰值
- 定时分析
- 脉宽、占空比、周期和频率变化相对于时间关系
- 开关分析
- 开关损耗, 启动(Ton), 关闭(Toff), 电感损耗 (cond), 安全作业区(SOA), SOA 及模板测试, di/dt, dv/dt, 和 RDS(on)
- 磁性分析(仅在 5/6-PWR 中提供)
- 电感、磁属性、磁损耗及 I 相对于 ∫V 关系
- 输出分析
- 纹波 (工频频率, 开关频率), 效率, 启动时间, 关闭时间
- 频率响应分析(仅在 5/6-PWR 中提供)
博德图和 PSSR
控制环路响应(博德图)和电源抑制比 (PSRR)。
PSRR 图抑制比相对于频率关系。控制环路响应(博德图)计算增益和相位裕量。
要求两只 TPP0502 探头。使用示波器内置发生器或外部 Tektronix AFG 31000 系列。
动态范围:博德图通常为 55 dB,PSRR 通常为 85 dB。
频率:10 Hz 至 50 MHz(带 AFG 选件)。
10 Hz 至最大正弦频率(带 AFG31000 系列)
幅度:最高为 5 V(需要 AFG 选件或外部 AFG31000 系列 10V p-p)。
需要 Picotest 隔离和注入变压器。
阻抗测量
阻抗:需 TPR1000/4000 电源纹波探头或带 DC 模块的 P6150 或直连 SMA 电缆。
频率:对于内部 AFG,为 10Hz 至 50MHz;对于外部 AFG,为 10Hz 至 AFG31000 系列最大值。
可测量的最小阻抗为 10 毫欧,最大阻抗为 47 欧姆
- 绘图
- 时间趋势, 轨迹图, 直方图, 柱状图, B-H 曲线, 电感图, I 相对于 ∫V 关系, 相位, 增益 和抑制比图。
- 报告
- MHT 和 PDF 格式,数据导出到 CSV 格式
- 消磁/时延校正 (静态)
- 自动检测探头,自动调零。用户可以从菜单中为每条通道校正时延
- 源支持
- 实时模拟信号、基准波形和数学波形
订购信息
型号
| 产品 | 选项 | 支持的仪器 |
|---|---|---|
| 新仪器订购选项 | 4-PWR-BAS, 4-PS2 5-PWR, 5-PS2, 5-PS2FRA 6-PWR, 6-PS2, 6-PS2FRA | 4 系列 MSO (MSO44, MSO46) 5 系列 MSO (MSO54, MSO56, MSO58, MSO58LP) 6 系列 MSO (MSO64) |
| 产品升级选项 | SUP4-PWR-BAS SUP5-PWR SUP6-PWR | |
| 浮动许可证 | SUP4-PWR-BAS-FL SUP5-PWR-FL SUP6-PWR-FL | 4 系列 MSO (MSO44, MSO46) 浮动许可可以从任何一台 4 系列示波器转移到任何其他 4 系列示波器上, 一次使用一台仪器。 5 系列 MSO (MSO54, MSO56, MSO58, MSO58LP) 浮动许可可以从任何一台 5 系列示波器转移到任何其他 5 系列示波器上,一次使用一台仪器。 6 系列 MSO (MSO64) 浮动许可可以从任何一台 6 系列示波器转移到任何其他 6 系列示波器上,一次使用一台仪器。 |
与电源分析有关的其他信息参见http://www.tek.com/application/power-supply-measurement-and-analysis。
推荐探头和附件
| 附件类型 | 推荐 |
|---|---|
| AC/DC 电流探头 | TCP0020, TCP0030A, TCP0150 |
| AC 电流探头 | TRCP0300、TRCP0600、TRCP3000 |
| 中压差分探头 | TDP0500, TDP1000 |
| 高压差分探头 | THDP0200, THDP0100, TMDP0200 |
| IsoVu 隔离差分探头 | TIVM1/L, TIVH08/L, TIVH05/L, TIVH02/L |
| 高压无源探头 | P5100A, P6015A |
| 时延校正脉冲发生器 | TEK-DPG |
| 电源测量解决方案捆绑套件 | 4-PS2 5-PS2, 5-PS2FRA 6-PS2, 6-PS2FRA |
| 时延校正夹具 | 067-1686-xx |
| 用于频率响应分析的探头(仅在 5/6-PWR 中受支持) | TPP0502: 两个探头 用于阻抗测量
|
| 用于频率响应分析的附件(仅在 5/6-PWR 中受支持) | Picotest Line 注入器 J2120A,用于 PSRR (10 Hz ~ 10 MHz) Picotest 隔离变压器(用于博德图)http://picotest.com:
Picotest 变压器(用于阻抗):
|
电源测量解决方案捆绑套件
| 5/6 系列 MSO PS 捆绑选项 | 说明 |
|---|---|
| 4-PS2 | 4-PWR-BAS, TCP0030A, THDP0200, 067-1686-xx 时延校正夹具 |
| 5-PS2 | 5-PWR, TCP0030A, THDP0200, 067-1686-xx 时延校正夹具 |
| 6-PS2 | 6-PWR, TCP0030A, THDP0200, 067-1686-xx 时延校正夹具 |
| 5-PS2FRA | 5-PS2,两个 TPP0502 探头 |
| 6-PS2FRA | 6-PS2,两个 TPP0502 探头 |
完整的功率探测产品组合
使用下面列表中的电源纹波探头及选项 4-PWR-BAS/5-PWR/6-PWR 功率应用,确保在 5/6 系列 MSO 示波器上实现完整的功率测量解决方案。
| 探头类型 | 说明 | |
|---|---|---|
| 高压差分探头 | THDP0100/THDP0200/TMDP0200 高压差分探头是进行非参考地电平测量、浮动测量的最佳选择。这些探头提供了 200 MHz 的带宽及高达 6000 V 的电压。 | ![]() |
| P5200A/P5202A/P5205A/P5210A 高压差分探头是进行非参考地电平测量、浮动测量或隔离测量的最佳选择。这些探头提供了 100 MHz 的带宽及高达 5600 V 的电压。 | ![]() | |
| 光隔离差分探头 | TIVM1、TIVH08、TIVH05 和 TIVH02 光隔离差分探头是精确解析高带宽差分信号的最佳选择,特别适合测试宽禁带设计。探头长度分为 3 m 和 10 m 两种。 TIVM1 提供了 1 GHz 带宽,在有最高 60 kV 的共模电压时能够测量最高 ±50 Vpk 的差分信号。TIVH08、TIVH05 和 TIVH02 分别提供了 800 MHz、500 MHz 和 200 MHz 带宽,在有最高 60 kV 的共模电压时能够测量最高 ±2500 Vpk 的差分信号。 | ![]() |
| 电流探头 | 米乐m6网页版登录入口提供了各种各样的电流探头,包括 AC/DC 电流探头,提供了高达 120 MHz 的带宽及最低 1 mA、最优秀的电流钳夹灵敏度。 | ![]() |
| 仅 AC Rogowski 探头包括 TRCP300 (9 Hz ~ 30 MHz, 250 mA ~ 300 A 峰值)、TRCP600 (12 Hz ~ 30 MHz, 500 mA ~ 600 A 峰值)和 TRCP3000 (1 Hz ~ 16 MHz, 500 mA ~ 3000 A 峰值)。 | ![]() | |
| 中压差分探头 | TDP0500/TDP1000 中压差分探头是进行非参考地电平测量、浮动测量或隔离测量的最佳选择。这些探头提供了最高 1 GHz 的带宽和最高 ±42 V (DC + pk AC)的电压范围。 | ![]() |
| 探头用于控制环路分析和电源抑制比测量 | TPP0502 是 FRA 测量推荐使用的无源探头。它拥有 2X 衰减和 500 MHz 带宽。它还提供了低容量负载。 | ![]() |
| 阻抗测量探头 | TPR1000 和 TPR4000 是阻抗测量推荐使用的探头。 TPR1000 和 TPR4000 探头提供了低噪声测量解决方案(示波器和探头),关键是不会把示波器和探头的噪声与被测 DC 电源的噪声和纹波混淆。探头中较高的输入阻抗,最大限度地减少了示波器负载对 DC 轨道的影响(50 kΩ @ DC)。 P6150 和直接 SMA 电缆及 DC 模块也可用来进行阻抗测量。 | ![]() |
如需每种示波器完整的兼容探头清单,请参阅http://www.tek.com/probes了解与推荐探头型号及任何所需探头转接头有关的具体信息。











