

The imperative to decrease carbon emissions is fueling investments in electrical technologies, with a particular focus on data centers and electric vehicles. According to Bloomberg's latest Electric Vehicle Outlook report, the drive to electrify nearly all road transport by 2050 is projected to lead to a substantial 27% surge in global electricity demand. This trend underscores the growing significance of electrical solutions in curbing greenhouse gas emissions and shaping a more sustainable future.
Wide bandgap (WBG) semiconductors, such as gallium nitride (GaN) and silicon carbide (SiC), are increasingly replacing traditional silicon-based power MOSFETs and IGBTs in switch-mode power supplies and motor drives. This shift is driven by the superior attributes of GaN and SiC devices, including faster switching speeds, higher power density, elevated frequency response, reduced leakage, lower ON resistance, and enhanced operating temperatures when compared to silicon. The result is enhanced operating efficiency, leading to reduced energy consumption and facilitating compliance with regulatory and certification requirements, as well as adhering to current JEDEC JC-70 wide bandgap power electronic conversion semiconductor standards. Ensuring compliance necessitates thorough testing of these advanced semiconductor technologies, which can be challenging and require new testing strategies.
Tektronix’s John Tucker in a recent EE World article – Automate Double-Pulse Testing in WBG Devices – explores how automating double-pulse testing for wide bandgap devices like SiC and GaN power devices results in significant reductions in setup and analysis time.
Validating SiC or GaN-based WBG devices, John states in his article, engineers must test several parameters, including:
- Switching loss: precise time alignment is critical. Nanosecond errors in capturing signals can result in incorrect results.
 - Peak voltage: voltage spikes commonly occur during high-current, high-speed hard switching.
 - Peak current: fast switching operation of WBG transistors causes sharp current spikes that stress devices and may reduce lifespan.
 - Reverse-recovery charge: this behavior must be quantified to understand its contribution to total losses.
 

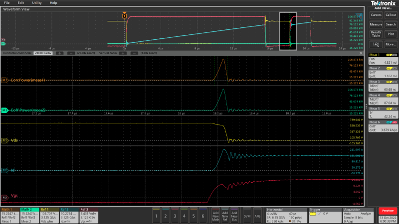
The double-pulse test (DPT) is the favored approach for measuring the switching and diode reverse-recovery parameters of wide bandgap (WBG) devices. This efficient testing method enables the gathering of crucial measurements to validate and optimize power converter designs effectively.
John elaborates in his article on defining DPT signals, and then shares how Oscilloscopes with measurement software can automate test setup, execution, and analysis. Automated measurement software streamlines the process by removing manual steps, resulting in time savings and ensuring consistent and repeatable results.
Utilizing the double pulse testing (DPT) method is the preferred approach for assessing the switching parameters and dynamic behaviors of power devices. By employing automated DPT setup and analysis, significant reductions in test times can be achieved, leading to faster time-to-market for the next generation of power converters. Moreover, running tests with full remote control allows for added safety, as it keeps you at a distance from the high-voltage, high-current device under test (DUT).

The ability to measure critical values and ensure functionality is crucial for meeting energy demands and driving worldwide progress on carbon reduction. To achieve this, it is essential to conduct research and testing on new materials, pushing us closer to the goal of meeting energy demands while adhering to new efficiency standards. It's worth noting that Bloomberg's estimated 27% increase can still be mitigated with timely actions and advancements in power device technology.
The application note – Double Pulse Testing for Power Semiconductor Devices with an Oscilloscope and Arbitrary Function Generator – provides additional detail on this subject.
