

The power-density advantages of smaller and lighter designs are particularly evident in space-constrained and/or mobiles usages such as electric vehicles, but compact power electronics are more broadly desirable as well. At the same time, efficiency is growing in importance as governments introduce financial incentives and more stringent energy-efficiency regulations. Guidelines issued by global entities, such as the European Union’s Eco-design Directive, the United States Department of Energy 2016 Efficiency Standards, and China’s Quality Certification Centre (CQC) Mark govern energy efficiency requirements for electrical products and equipment. Recent advances in efficiency and power density are being enabled by wide bandgap MOSFETs using SiC and GaN.
In order to take full advantage of the fast switching capability of these wide bandgap MOSFETs, designers must evalsuate circuit performance, performing a balancing act between switching losses and EMI. Double Pulse Testing is the preferred test method to measure the switching parameters and evalsuate the dynamic behaviors of power semiconductor devices. The test can be used to measure energy loss during device turn-on and turn-off, as well as reverse recovery parameters.
The Tektronix 4 Series MSO, 5 Series B MSO, and 6 Series B MSO all offer automated double-pulse testing measurements and the AFG31000 arbitrary function generator has a built-in software application that enables easy double pulse signal generation.

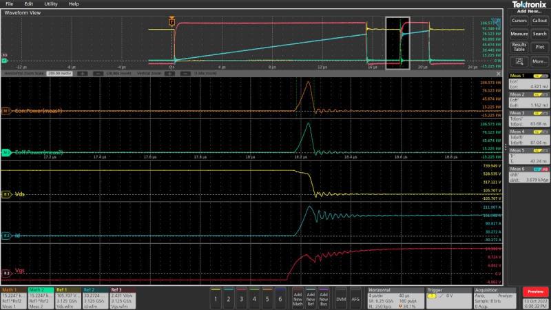
Typical double pulse test waveforms are captured and measured using an oscilloscope. In order to calculate the turn-on and the turn-off parameters, we make measurements at the falling edge of the first pulse and the rising edge of the second pulse. Care must be taken in setting the gating regions, since any inconsistency will impact repeatability. Even with care, consistent results can be elusive due to ringing caused by parasitics. The Wide Bandgap Double Pulse Test application (Opt. WBG-DPT) on the Tek 4/5/6 Series MSOs offers precise double-pulse measurements that make testing easier. The application offers automated switching, timing, and diode reverse recovery measurements per JEDEC and IEC standards. Detailed configuration options enable analyzing real-world waveforms and testing beyond standards specifications.
Reverse recovery current occurs during the turn-on of the second pulse. The measurements are now done on the high side MOSFET. Id is measured through the high side MOSFET and Vsd across the diode. As the low side MOSFET turns on again, the high-side diode should immediately switch to a reverse blocking condition; however, the diode will conduct in a reverse condition for a short period of time, which is known as the reverse recovery current. This reverse recovery current is translated into energy losses, which directly impact the efficiency of the power converter.
Double pulse testing requires a signal source to drive the low-side gate. An oscilloscope is usually used to measure the resulting voltages and currents Double pulse testing requires two voltage pulses with varying pulse widths. This pulse train can be challenging to set up. One method is to create an arbitrary waveform and load it into an arbitrary function generator. Another method is to use a microcontroller board. Both methods require significant setup time and the pulse parameters are difficult to adjust. The Tektronix AFG31000 Arbitrary Function Generator offers a straightforward method to create pulses with varying pulse widths right on the front display. The Double Pulse Test application on the AFG31000 is quick to set up and to output pulses, thus allowing design and test engineers to focus on gathering data and designing more efficient converters.

The WBG-DPT double pulse application on the 4/5/6 Series MSO enables standard-specific tests to analyze power devices’ behavior while saving time compared to manual testing. The application includes a preset feature to help capture the right waveform, detailed configuration options to test beyond the standards, enables signal conditioning feature for analyzing noisy waveforms, and offers navigation and annotation features.
Automated double pulse test setup and analysis on the AFG31000 and 4/5/6 Series MSO combine to greatly reduce test times and achieve faster time to market for next-generation power converters. The application note – Double Pulse Testing for Power Semiconductor Devices with an Oscilloscope and Arbitrary Function Generator – provides more detail.
