gongjigongyi.com
与米乐m6网页版登录入口代表实时聊天。 工作时间:上午 9:00 - 下午 5:00(太平洋标准时间)。
致电我们
工作时间:上午9:00-下午5:00(太平洋标准时间)
下载
下载手册、产品技术资料、软件等:
反馈

三相 变频驱动器 (VFD) 上的测量
三相电源系统的测量和分析本质上比单相系统更复杂。由于对 PWM 信号进行滤波和触发具有挑战性,因此基于脉冲宽度调制 (PWM) 的功率转换器(例如变频电机驱动器)使测量变得更加复杂。
在调试和验证阶段,由于示波器具备多功能性和更快的速度,所以它们是首选的仪器。 它们可以精确地测量开关电源转换器和控制电路的性能。 使用正确的探头,它们可以在宽范围内以高带宽进行测量。
特殊的三相逆变器电机驱动分析软件可实现快速、可重复的分析。
变频驱动器 (VFD) 的运行
典型的电机驱动系统由三相交流输入驱动,该交流输入被馈送到驱动部分或功率转换器部分。
驱动部分有三大块:
- 转换交流-直流的整流器
- 直流总线
- 直流到交流逆变器,可将直流电压转换成交流信号(大多数情况下为 PWM 波形)。
尽管此图中未显示,但反馈回路和控制逻辑可监测电机负载并调整驱动系统以控制扭矩和速度。这使系统能够在无负载到最大负载条件下驱动电机。


三相线路测量
在实验室中,电能质量测量用于了解设备消耗三相交流线路所提供能量的方式。
对于每一相,电能质量测量通常包括:
- 电压和电流的 RMS 和幅度
- 真实功率、无功功率、视在功率、相位角和功率因数
- 频率
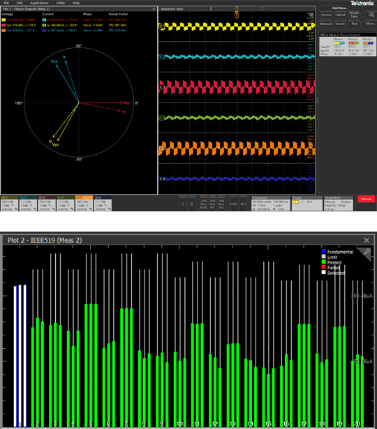
除了 RMS 电压和电流的数字读数外,相量图(如左图所示)还可以提供一种查看电压和电流关系的快速方法。影响功率因数的失衡和相移立即显现。
功率因数是任何工业设备的重要规格,因为它直接影响最终用户的水电煤气账单。一些驱动器包括有源电路以控制功率因数。
谐波还会影响最终客户系统的整体效率乃至可靠性。因此,谐波失真通常需要进行调整。左侧显示的是具有 IEEE-519 限制的谐波条形图。用户定义的限制可用于余量测试。
纹波分析
纹波定义为恒定直流组件上的残留或多余分量的交流电压。通常在直流总线上对其进行测量。此测量有助于了解信号在输入侧从交流转换为直流的效率以及输出侧 PWM 信号上的多余分量的影响。
线路纹波测量给出了在已配置线路频率下的 RMS 值、在已配置开关频率下的开关纹波测量 RMS,以及已配置相位时域波形的峰峰值。


直接正交零 (DQ0)
矢量控制系统使用 Clarke 和 Park 变换,将三相信号简化为 D 和 Q 控制矢量。能够测量这些矢量可让您确认控制系统是否按预期工作。 遗憾的是,这些重要的变量往往要在控制系统内部实时计算,而不是输出为外部信号。
米乐m6网页版登录入口 5/6 系列示波器上的 DQ0 测量功能(选件IMDA-DQ0)使用信号处理技术,根据驱动器输出信号计算和测量 D 和 Q 矢量,以便您比较实际性能与预期性能。 结果以相位、变换波形和标量值的形式显示。
DQ0 结果以相位、变换波形和标量值的形式显示。
驱动输出测量
效率是电机驱动系统的关键测量之一,作为系统总体性能的指标。
效率衡量输出功率与输入功率之比。它计算并显示每相的效率,以及系统的总效率(平均值)。效率测量使用 8 通道示波器上的 2V2I 配置(双功率表法)。


机械分析
IMDA 机械分析组(选项 IMDA-MECH)支持霍尔、旋转变压器和正交编码器接口 (QEI) 传感器来跟踪电机角度、速度、加速度和方向。可通过一些简单的设置来配置测量。
可以用无源或差分模拟探头进行测量。也可以用 8 通道 TLP58 逻辑探头测量霍尔或 QEI 传感器,从而节省模拟通道以便用于其他信号。
可以绘制速度测量值,以显示电机的启动顺序或长记录中的减速。通过直方图可以深入地了解测量速度的抖动曲线。
IMDA-MECH 支持两种实时扭矩测量方法 – 扭矩传感器或测力传感器,以及电枢电流。当使用电枢电流法时,通过对电机电流的有效值施加一个常数来计算扭矩。系统的机械功率可以用扭矩和速度值来计算和显示。
电功率可以使用电压和电流测量值在驱动器输入端确定。通过利用驱动器输出端的扭矩和速度测量值,应用可以测量机械输出功率与电气输入功率的比率,从而测量整体系统效率。
三相 VFD 故障排除和特性参考系统
基于示波器的三相测试系统可在观察 VFD 电路的同时进行系统级测量。利用高采样率和长记录长度可提供从 Hz 到 GHz 的详细视图。 此应用有许多探头替代方案,下面是一个出色系统的示例:
5 系列 B MSO
推荐使用其 8 通道和 12 位 ADC
选件 IMDA
在 5 系列 B MSO 上自动进行三相电测量
THDP0200 x 3
高压差分电压探头。100 MHz 和高达 1500 V
TCP003A x 3
30A 交流/直流电流探头

Featured Content
Title |
---|
场定向控制 (FOC) 系统的实时 DQ0 分析
目前,设计人员使用定制的嵌入式控制软件和其他硬件,利用 FPGA 进行场定向控制 (FOC) 来测量直接正交零 (dq0)。这是一项复杂且昂贵的任务。它需要访问控制器板上的探测点,这可能具有挑战性 [3]。
本文讨论了电机设计人员如何测量传感器和无传感器系统的 dq0 分量和合成驱动矢量。应用组合的 Clarke 和 Park 变换,以便与控制器电路行为相关联。设计人员可以使用 D 和 Q …
|