gongjigongyi.com
与米乐m6网页版登录入口代表实时聊天。 工作时间:上午 9:00 - 下午 5:00(太平洋标准时间)。
电话
致电我们
工作时间:上午9:00-下午5:00(太平洋标准时间)
下载
下载手册、产品技术资料、软件等:
反馈
嵌入式设计参考解决方案
该一体化解决方案解决了大多数的嵌入式系统调试难题,是我们强烈推荐的系统。它基于 5 系列 B MSO 示波器构建,包括软件、探头、远程协作软件和正常运行时间保障包。
通过以下方式加快您的项目:
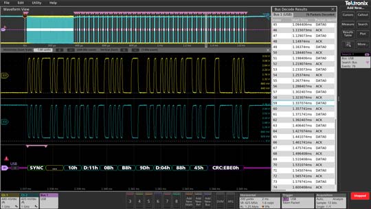
- 串行协议解码
- 模拟和数字信号测量
- RF 频谱分析
- 电源轨和电源测量
- 信号发生器
- 基于 PC 的波形分析

让电路板调试变得简单
此参考解决方案专为最终敲定新设计、组建新团队、连接全球团队以及让您专注于项目而不必担心测试设备而设计。
米乐m6网页版登录入口参考解决方案利用米乐m6网页版登录入口的专业知识选择最具优势和生产力的零件,并将它们组合成一个解决方案,从而使您能够专注于产品时间表。订购单项产品即可获得嵌入式系统设计的完整套餐。

PCB-DEBUG-SOLN
嵌入式设计参考解决方案
嵌入式设计参考解决方案系统包括一整套用于调试和验证系统的分析工具和探头,包括为期 3 年的校准和维修保障。
| 仪器/探头/选项 | 数量 | 描述 |
| MSO58B (5-BW-1000) | 1 | 8 通道 5 系列 B MSO 示波器,带宽为 1 GHz,包括 C3 和 T3 |
| 5-PRO-SERIAL | 1 | 为嵌入式系统提供串行协议支持的全面套件。不再需要手动解码。 |
| TPR1000 | 1 | 1 GHz,单端 TekVPI 电源轨探头 |
| TLP058 | 1 | 8 通道 500 MGHz 逻辑探头,包括 R3 |
| TEKSCOPE-PRO-SR PC | 6 | TekScope PC 软件用于离线分析,包括 IMDA 分析和全面的串行总线支持 |
| TEKDRIVE-BUS | 6 | TekDrive 数据存储订购,个人层,年度用户许可 |
| 服务 | 1 | 示波器包括 3 年全面保护计划 (T3),还有意外损坏保障,探头包括 3 年延长保修 (R3),示波器 + 探头包含 3 年校准计划 (C3) |



