
gongjigongyi.com
与米乐m6网页版登录入口代表实时聊天。 工作时间:上午 9:00 - 下午 5:00(太平洋标准时间)。
电话
致电我们
工作时间:上午9:00-下午5:00(太平洋标准时间)
下载
下载手册、产品技术资料、软件等:
反馈
PSPL5543 100 V Bias Tee Datasheet
PSPL5543 Datasheet

The PSPL5543 is an ultra-broadband, 500 mA current, coaxial bias insertion tee and 100 V DC blocking capacitor that passes high bandwidth pulses with very low waveform distortion. Its rise time is only 7 ps and its frequency response is flat over many decades from 20 kHz to beyond 50 GHz.
Key performance specifications
- 25 kHz to >50 GHz
 - 7 ps rise time
 - 100 V, 500 mA
 
Typical performance
The following figures show the linear sweep from 40 MHz to 65 GHz. The AC connector is input (port 1) and the AC + DC connector is output (port 2).
The following figure shows the S21 insertion loss.
Specifications
| Parameter | Symbol | Units | Minimum 1 | Typical | Maximum 1 | Comments | 
|---|---|---|---|---|---|---|
| Impedance | Z | ohms | 50 | |||
| Upper 3 dB frequency | fc,h | GHz | 50 | |||
| Lower 3 dB frequency | fc,l | kHz | 20 | |||
| Rise time | tr | ps | 7 | 10 – 90% | ||
| Insertion loss (see S21 plot) | S21 | dB | See plot | 3 | 2.4 mm f | |
| Input (AC), Return Loss | S11 | dB | 10 | See plot | 2.4 mm f | |
| Output (AC+DC), Return Loss | S22 | dB | 8 | See plot | 2.4 mm f | |
| DC voltage | V | V | 100 | |||
| DC current | I | mA | 500 | |||
| Capacitance | C | μF | 0.2 | |||
| Inductance | L | mH | 0.5 | |||
| Resistance | R | ohms | 1.5 | |||
| RF power | P | W | 5 | Average power | ||
| Isolation | S13 | dB | > 30 | f > 100 MHz | ||
| DC path bandwidth | fc,DC | kHz | 22 | |||
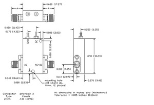
| RF Connectors | 2.4 mm jacks (f) | |||||
| DC Connector | Solder pin | |||||
| Warranty | One year | |||||
1Maximum and minimum values are based on manufacturing test limits at 25 °C.
Ordering information
Models
- PSPL5543
 - BIAS TEE, 100 V, 500 mA
 
Options
- PSPL5543 240JJ
 - 2.4 mm connectors on AC and AC + DC ports, solder pin on DC port
 



