
gongjigongyi.com
与米乐m6网页版登录入口代表实时聊天。 工作时间:上午 9:00 - 下午 5:00(太平洋标准时间)。
致电我们
工作时间:上午9:00-下午5:00(太平洋标准时间)
下载
下载手册、产品技术资料、软件等:
反馈

以太网发射机测试应用自动进行 10GBASE-T、NBASE-T (2.5GBASE-T 和 5GBASE-T) 和 IEEE802.3bz (2.5G/5G) 物理介质连接(PMA)物理层(PHY)电接口测试,可以快速准确地测试以太网设计。
以太网发射机测试应用基于 TekExpress 测试自动化框架,执行 IEEE802.3an 标准、IEEE802.3bz 标准和 NBASE-T 规范规定的所有 PMA 电接口测量。您可以迅速高效地测试以 2.5G、5G 和 10G 数据速率运行的以太网设备。
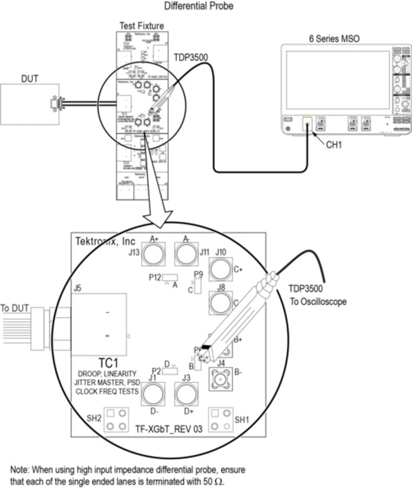
为准确进行这些测量,您需要米乐m6网页版登录入口 TF-XGBT 测试夹具。TF-XGBT 测试夹具可以使用差分探头或配对 SMA 电缆简便接入被测器件(DUT)。
主要功能
完善的 2.5GBASE-T、5GBASE-T 和 10GBASE-T PHY 自动测试解决方案
高度优化的、对用户友好的接口流程,设置测试配置,迅速验证电信号。
一致性和裕量测试,准确的分析功能,改善了互操作能力。
使用一台分析仪器进行时域测量和频域测量。
在示波器上执行测试,使用外部 PC 的编程接口进行远程控制。
使用一台仪器分析时域测量和频域测量。
支持使用差分探头或直接 SMA 线缆进行信号采集和分析。
测试选择和仪器设置
通过直观的 TekExpress 工作流程,可以简捷明了地选择测试。选择要执行的测量,点击 Start 按钮。

对选定的每项测量,以太网发射机应用自动配置示波器,节省设置时间,确保可重复的、可靠原结果。
在执行每项测试时,应用会引导您完成连接。

报告
在测试执行结束后创建一份汇总报告,含每项测试的通过/失败状态。这份报告包括测试配置细节、波形图和裕量分析,更深入地了解设计特点。

通过/不通过报告
裕量测试
您可以改变特定测试参数,比如测试极限和其他参数,执行详细的裕量分析,验证器件性能。

衰落配置参数
信号采集探头支持
该应用可以使用配对的 SMA 电缆或差分探头采集和分析信号。

差分和单端探头支持
回波损耗
通过使用基于示波器的测量及米乐m6网页版登录入口 AWG,自动测试应用简化了回损测试,不再需要使用矢量网络分析仪。开路、负载和短路的校准数据可以存储在一个文件中,然后在测试应用中调用这个文件。

回波损耗
完整的编程接口
TekExpress 应用提供了一个编程接口,并支持高级自动化层,如 Visual Basic、Microsoft。Net, C#, C++, Python 或任何其他网络应用。您可以从本地机器或使用远程计算机,控制示波器上运行的 TekExpress 以太网应用的执行操作。
编程实例位于应用实例文件夹中。
离线分析
通过 TekExpress 以太网应用的离线分析功能,用户可以分析已经采集的波形。在应用 DUT 面板中选择 使用预先记录的波形文件,采集波形,另存为波形文件。
可以从示波器中捕获波形,在多个用户和站点之间共享,使用其他示波器执行分析。

使用预先记录的波形文件进行离线分析
技术数据
- 10GBASE-T 测量
根据 IEEE802.3-2012 标准执行以下测试。被测器件 (DUT) 必须能够提供 IEEE802.3-2012 第 55.5.2 款指明的测试模式信号。
测量 标准基准和测试模式 最大输出衰落 IEEE802.3-2012 第55.5.3.1款 发射机定时抖动 – 主控 IEEE802.3-2012 第55.5.3.3款 发送时钟频率 IEEE802.3-2012 第55.5.3.5款 发射机定时抖动 – 从属 IEEE802.3-2012 第55.5.3.3款 发射机线性度 IEEE802.3-2012第55.5.3.2款 发射机功率频谱密度 (PSD) 和功率 IEEE802.3-2012 第55.5.3.4款 回波损耗 IEEE802.3-2012 第55.8.2.1款
- 2.5GBASE-T 和 5GBASE-T 测量
根据 IEEE802.3bz/D3.3 标准草案执行下述测试。被测器件 (DUT) 必须能够提供 IEEE802.3bz/D3.3 第 126.5.2 款指明的测试模式信号。
测量 测试模式 最大输出衰落 IEEE80.bz/D3.3 第 126.5.3.1 款 发射机定时抖动 – 主控 IEEE80.bz/D3.3 第 126.5.3.3 款 发送时钟频率 IEEE80.bz/D3.3 第 126.5.3.5 款 发射机定时抖动 – 从属 IEEE80.bz/D3.3 第 126.5.3.3 款 发射机非线性失真 IEEE80.bz/D3.3 第 126.5.3.2 款 发射机功率频谱密度 (PSD) 和功率 IEEE80.bz/D3.3 第 126.5.3.4 款 回波损耗 IEEE80.bz/D3.3 第 126.8.2.1 款
- NBASE-T 测量
根据 NBASE-T 物理层规范执行下述测试。被测器件 (DUT) 必须能够提供 NBASE-T 物理层规范第 1.1 版第 2.9 款指明的测试模式信号。
测量 测试模式 最大输出衰落 第 55.5.3.1 款,测试模式 6 发射机定时抖动 – 主控 第 55.5.3.3 款,测试模式 2 发送时钟频率 第 55.5.3.5 款,测试模式 2 发射机定时抖动 – 从属 第 55.5.3.3 款,测试模式 1 和模式 3 发射机非线性失真 第 55.5.3.2 款,测试模式 4,音调 1-5 发射机功率频谱密度 (PSD) 和功率 第 55.5.3.4 款,测试模式 5 回波损耗 第 55.8.2.1 款,测试模式 5
订购信息
要求的硬件
| 示波器 | 6 系列 MSO 示波器,最低带宽 4 GHz (选项 6-BW-4000) |
| 支持的仪器 | MSO64 |
| 要求的选项 | 6-WIN (可拆卸固态硬盘,装有 Microsoft Windows 10 操作系统) |
软件模型
| 应用 | 选件 | 许可类型 |
|---|---|---|
| 以太网 (2.5G 和 5G BASE-T) 自动一致性测试解决方案 | 6-CMNBASET | 新仪器许可 |
| SUP6-CMNBASET | 升级许可 | |
| SUP6-CMNBASET-FL | 浮动许可证 | |
| 以太网 (10G BASE-T) 自动一致性测试解决方案 | 6-CMXGBT | 新仪器许可 |
| SUP6-CMXGBT | 升级许可 | |
| SUP6-CMXGBT-FL | 浮动许可证 |
推荐探头
| 探头 | 数量 |
|---|---|
| TDP3500 | 1 (最低) 1 |
1*如果执行回损测量,则数量翻两倍;如果测试多路,则数量翻四倍。
推荐附件
| 附件 | 数量 |
|---|---|
| 电源分路器 - PSPL5331 | 2 |
| SMA 到 BNC 转接头 PN: 015057200 | 4 |
AWG 兼容性 (用于回损测量)
AWG5202 及选项 250、2HV 和 2DC (推荐), AWG7122C
IEEE 2.5GBASE-T 发射机非线性失真测试(第 126.5.3.2 款)
该测试根据规范要求注入 45 MHz 正弦波。只有 2.5GBASE-T 需要此检查。支持的信号源如下:
- AWG5202, AFG3052C, AFG3102C, AFG3152C, AFG3252C (推荐), AWG5002C, AWG5012C, AWG5014C, AWG7082C, AWG7122C
TF-XGBT 10GBASE-T, NBASE-T 和 IEEE802.3bz
执行所有测量都要求使用 TF-XGBT 测试夹具,旨在满足每项相应规范/标准中的测试夹具要求。
| TF-XGBT 包含 | 数量 | 说明 |
|---|---|---|
| 测试夹具主电路板 | 1 | 主要测试夹具由三部分组成:
|
| 测试夹具校准电路板 | 1 | 回损校准必备 |
| RJ45 跳线 | 2 | 0.08 米屏蔽 RJ45 电缆,把测试夹具连接到回损校准电路板和被测器件上 |
| 中国 RoHS 表 | 1 |



