
gongjigongyi.com
与米乐m6网页版登录入口代表实时聊天。 工作时间:上午 9:00 - 下午 5:00(太平洋标准时间)。
致电我们
工作时间:上午9:00-下午5:00(太平洋标准时间)
下载
下载手册、产品技术资料、软件等:
反馈
DisplayPort 1.4 和 Type-C 一致性测试/调试解决方案
米乐m6网页版登录入口提供了 DisplayPort 1.4 和 Type-C 一致性测试/调试解决方案和 DisplayPort 1.2 接收机解决方案。
DisplayPort 1.4 和 Type-C 一致性测试/调试解决方案主要特点
- 对 HBR2 以下数据速率,可以在不到 7 小时内自动完成整个一致性测试,对 HBR3 以下速率不到 11 小时
 - 在执行测试前智能识别码型
 - 夹具反嵌功能 → 使用默认滤波文件反嵌夹具效应,或使用 SDLA 软件创建自定义滤波器文件,利用通道建模和接收机均衡功能
 - 简便的选项,支持测量可重复性
 - 根据测试、通路、数据速率或测试通过/失败结果量身定制报告
 - 定时器弹出菜单,在整个 DisplayPort 测试中实现零用户参与
 - 增强 TekExpress 报告,包括新的测量图
 - 一个应用完成标准 DisplayPort 测试和 Type-C DisplayPort 测试
 - 100% 覆盖 DisplayPort 高速发射机测试
 - 全面实现 DUT 自动测试,支持免提测试
 - 单一 DUT 配置界面,简化用户体验
 - 优化算法执行测试,改善精度
 - 选配信号验证功能,帮助迅速检测信号中的异常事件
 - 提供了 mht、pdf 和 csv 格式的报告,进行高级数据分析
 - 一致性测试 (TekExpress) 和表征 (DPOJET) 测试支持
 - 支持通过基于 SCPI 的编程接口 (PI) 自动进行 DUT 测试
 - 自动化支持及 Iron Python 脚本编制接口,支持基于套接字的远程编程接口
 - 支持 Type-C 和标准 DP 测试手动测试模式和自动测试模式
 - 独立式工具,支持 DPR-100 辅助控制器
 - 捕获和保存 DUT 波形,进行离线分析
 
DisplayPort 1.2 接收机解决方案主要特点
- 自动 DisplayPort 接收端电气校准和一致性测试,符合 VESA DP 1.2b 接收端 MOI (实现方法)
 - 依据 DisplayPort PHY 1.2b CTS,100% 覆盖接收端抖动容限测试
 - 以用户自定义抖动频率步长自动执行 DDJ (ISI) 校准和抖动裕量测试
 - 支持多种可变 ISI 硬件解决方案
 - 简便设置、执行测试及生成 HTML 和 .csv 格式的报告
 - 全面集成 Unigraf DPT-200 DisplayPort 辅助通道基准源
 - 自动检查 DisplayPort 配置数据 (DPCD) 寄存器,验证误码率 (BER)
 
应用
米乐m6网页版登录入口提供完善的解决方案,满足了为计算机系统和嵌入式系统设计 DisplayPort 芯片的工程师的需求,以及根据 DisplayPort 1.4 一致性测试规范验证 DisplayPort 器件物理层一致性的工程师的需求。
米乐m6网页版登录入口选项 DP14 应用兼容米乐m6网页版登录入口 DPO/MSO/DPS 70000 C/D/DX/SX 系列示波器,旨在迎接下一代显示器标准挑战,如 HDMI 和 DisplayPort。
DisplayPort 1.4 和 Type-C 一致性测试/调试解决方案
解决方案概述
其中 DisplayPort 一致性测试最大的一个挑战一直是测试时间长,需要 DUT 全面自动化。大多数时候,工程师需要把大量的时间用在测试设置及监测执行进度上。更具挑战性的是整合 DisplayPort 和 USB C 型,这一挑战涉及的用户面要更广。
米乐m6网页版登录入口 DisplayPort 发射机测试解决方案引入了一种测试应用,并集成 Type-C 和 HBR3 数据速率测试支持,解决了这一挑战。米乐m6网页版登录入口 DP12 软件与 DisplayPort Aux 控制器相结合,自动执行 DisplayPort 物理层源端一致性测试,满足标准和 C 型一致性测试需求。TekExpress 解决方案与 Unigraf DPR-100 参考接收端集成,在测试过程中不再需要用户交互。工程师只需选择要运行的测试,然后就可以在在执行测试的同时完成其他任务。
新选项 DP14 支持根据 DisplayPort 1.4 规范执行高达 8.1 Gbps (HBR3) 的发射机一致性测试。应用还支持使用专为控制 DPR-100 控制器开发的新工具来调试设置。
测试设置和执行起来非常简单
通过使用 DP1.4 自动测试软件,测试设置和测试执行都非常简单。与每项测试对应的示意图提供了连接细节。TekExpress 软件提供了一个图形用户界面 (GUI) 和一个直观的设置和测试工作流程。在设置测试时,用户只需看一下示意图,连上测试系统就可以了,就这么简单。只需点击一个按纽,查看选定测试的示意图。
DisplayPort C 型设置概述
通过引入 C 型,DisplayPort 拓宽了应用范围和功能,作为 C 型技术承载的 USB 两种模式之一运行。这为采用 C 型的最终用户提供了一个巨大的优势,他们可以把显示器、数据和供电需求整合到一个物理连接器中。这里的测试挑战是,用户现在需要针对三项不同的标准测试同一个物理层,才能保证完全满足 C 型规范。
对 DisplayPort,标准 DUT 和 C 型 DUT 及使这些 DUT 传送信号的程序中存在着某些功能差异。源 DUT 到智能传送信号所需的 HPD (热插拔检测)信号从基于中断变为 C 型中的基于消息。
这通过把 C 型 DUT 从默认模式 (USB) 置于 DisplayPort 模式,根据功率传送规范通过 CC (配置通道)线路交换一串 PD 信息来实现。这要求在设置中有一个 USB PD 控制器。一旦这个控制器协商消息,DUT 进入 DisplayPort 模式,它可以使用第二个控制器(测试模式控制器)进行控制,改变 DUT 配置(控制数据速率、码型、幅度、预加重等)。
下面的米乐m6网页版登录入口 C 型设置使用 TekExpress 框架自动测试两个控制器,并集成 C 型夹具,使用 P7313SMA 差分探头全面实现 4 路 DUT 自动测试。

DisplayPort C 型设置
为测试 ML0 和 ML3 信号 (如 Pins A10-A11, B10-B11),在测试夹具输出上连接推荐的 DC 块。

DisplayPort 发射机测试概述
DisplayPort 源端(发射机)有状态控制要求,以传送要求的数据码型和信号属性,演示其满足一致性测试规范。为全面覆盖测量范围,需要传送下述属性和码型:
- 位速率: RBR, HBR, HBR2 和 HBR3
 - 数据码型: D10.2, PRBS7, COMPEYE, PLTPAT
 - FFE (预加重): 0 dB, 3.5 dB, 6 dB, 9.5 dB
 - 输出电平: 400 mV, 600 mV, 800 mV, 1200 mV
 - SSC (扩频): On/Off
 
TekExpress 一致性测试解决方案概述
TekExpress 为标准和 C 型 DisplayPort 一致性测试提供自动测试支持。新的高级 TekExpress DisplayPort 应用利用最新的 TekExpress 4.0 框架的特性,把整体测试效果优化了近三倍。

详细报告及汇总表

TP3_EQ 下 HBR2 数据速率的浴缸和直方图曲线

CSV 报告,用于数据分析
发射机眼图测量:
下面的截图显示了在 DP 眼图测量中怎样使用自适应模板。


眼图及动态模板生成功能
根据规范,眼图必需满足模板极限:
- 在沿着 0mV 的任何通过位置确定眼图宽度。
 - 眼图高度(以 0mV 为中心对称)在 0.375 ~ 0.625UI 的任何通过位置确定。
 
测得的眼图必须大于等于相应的眼图模板。
TekExpress 应用采用 DPOJET 分析引擎,生成与采集的信号对应的动态模板,根据横轴上眼图张开程度自动调节模板位置。垂直坐标放在与最大幅度电平对应的眼图模板位置上。
一致性测试和特性分析支持
除 TekExpress 解决方案外,米乐m6网页版登录入口还提供 DisplayPort DPOJET 基本版软件,与 TekExpress 捆绑在一起,用来分析 DUT 特性,分析其更出色的行为。在 DUT 未能通过任何部分的一致性测试,或用户想更深入地考察问题时,它可以作为分析工具使用。这一软件支持 TekExpress 支持的以及要求单次采集的所有一致性测试。用户可以围绕这些测量构建自动化脚本,设置自定义测试环境。

DisplayPort DPOJET Essentials 软件
通过从 Scope → Analyze 菜单中运行 ‘DisplayPort 1.4 essentials’,可以启用这一软件包。DisplayPort DPOJET 测量库帮助分析芯片特点。这一程序库的另一个优势,是能够在发生问题时调试测量。如果在一致性测试过程中任何测试失败,用户都可以接入 DPOJET DisplayPort 测量库,更深入地挖掘问题,比如眼图模板命中失败,可以查看预加重电平与电压摆幅测试之间的关系,分析根本原因。通过这一解决方案,用户可以在不同设置下灵活地配置测量,在使用过程中改变现有测量的配置,在单次模式或自由运行重复模式下运行测试。
介绍 DPR-100 工具
这种新工具在运行一致性测试前帮助您检验设置连接和 DUT 特点,与 TekExpress DP 1.4 安装程序捆绑在一起提供。这种工具控制 DPR-100 辅助控制器,改变 DUT 设置,如数据速率、码型和电平。这种工具还作为 DisplayPort Type-C 设置的一部分,帮助控制 PD 控制器。

DPR-100 工具
SDLA 特点
SDLA 使得用户能够虚拟探测测试点,来探测和查看要求位置的数据(反嵌 / 嵌入)。它可以消除(反嵌)电缆、探头和夹具的效应,获得更准确的测量结果。它可以嵌入用户自定义通道模型,在链路末端仿真信号。它还可以使用接收机均衡、连续时间线性均衡器(CTLE)、判定反馈( DFE)或前馈均衡(FFE)张开闭合的眼图。SDLA 还拥有高级分析和建模功能。可以使用 DPOJET 抖动和眼图分析全方位频域图和时域图,查看和测量多个测试点,快速检验 S 参数和测试点转函。
开关矩阵支持
DisplayPort 开关矩阵(SWX-DP)是一种与 TekExpress DisplayPort 集成起来的软件解决方案,在使用 RF 开关配置和设置自动化多路测试时,简化了用户体验。
用户可以根据 DP 1.2/1.4 规范执行差分测试和单端测试,而不需改变连接,明显缩短测试时间。

SWX-DP 主要特点包括:
在 GPIB/LAN 接口上自动检测吉时利开关。
使用滤波文件反嵌 – 带有多个反嵌选项(按中继器、按输入、等)。
运行 TekExpress 和 DPOJET (调试模式)。
保存/调用开关配置。
图形视图,带有打印选项,支持硬件布线。
图形视图集成 TekExpress 报告。
内置误码处理功能,支持简便地进行无差错配置。
通过编辑 XML 文件支持自定义输入标签,如通路、端口等。
编程接口,支持编写脚本及简便地集成到用户的自动化环境中。
DisplayPort 1.2 接收机解决方案
DisplayPort 接收端自动测试软件概述
专为米乐m6网页版登录入口 BERTScope 开发的 DisplayPort 接收端自动测试软件(TEK-GRL-DP-SINKSW)提供了简单高效的自动化方式,根据 DisplayPort 物理层一致性测试规范 (CTS) 第 1.2 版的抖动容限要求来测试 DisplayPort 接收端 (接收机)器件。
GRL-DP-SINK 应用在所有 DisplayPort 数据速率 1.62、2.7 和 5.4 Gb/s (RBR、HBR 和 HBR2)上自动执行单路和多路测量,并在 70K 系列基于 Windows 7 操作系统的示波器上运行。
自动测试软件在测试过程中不需要用户参与。它可以在 BERTScope 和实时示波器之间自动校准,为 DisplayPort 1.2b PHY CTS 接收端一致性测试生成受压信号条件。
软件中拥有独特的 DDJ (ISI) 校准功能,不需要固定 ISI 电路板,支持多种测试应用,而不需改变设置(如长通道、短通道、无通道)。软件支持多种可变 ISI 硬件解决方案,包括米乐m6网页版登录入口 BERTScope DPP125C + LE320 可变 ISI 及 Artek CLE1000-A1 低频可变 ISI。
自动测试软件与辅助通道控制器(Unigraf DPT-200 带有辅助控制功能的基准源)相结合,自动进行链路训练和 BER 验证。裕量测试功能在用户自定义的抖动频率步长下对接收机进行压力测试,确定接收机设计的真实功能。
校准和一致性测试
详情请参阅 VESA DisplayPort PHY CTS Rev. 1.2b 和米乐m6网页版登录入口实现方法(MOI)。
接收机测试由两步操作组成。校准和一致性测试。
校准
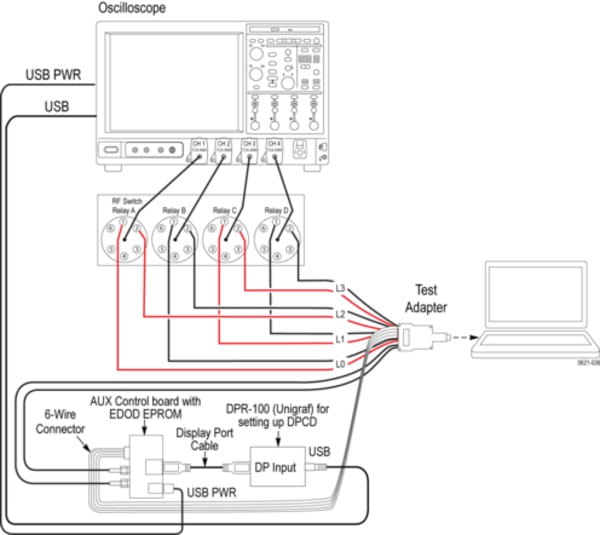
校准设置参见下图:

校准设置
下述 DUT 参数在第一步校准中校准:
- ISI 校准:
- 软件设置 DPOJET,根据规范测量连接的通道的 ISI (DDJ)。这一测量对 RBR 在 TP3 进行,对 HBR 和 HBR2 在 TP3_Eq 进行。如果测得的 DDJ 位于规范目标值范围内,那么软件报告测试通过。
 - 可以使用可变 ISI 通道,更简便地调节通道,使其位于规范范围内。自动测试软件支持自动控制米乐m6网页版登录入口 BSAITS 或 ARTEK CLE1000-A2 可变 ISI 发生器。
 
 - 随机抖动:
- 这一步在 BERTScope 上校准 RJ。码型从 CP_2520 (或对 HBR、RBR 为 PRBS-7)变成 1100,进行 RJ 校准。
 
 - SJ Fixed:
- (这只适用于 HBR2)。1100 码型用于 SJ_Fixed 校准。
 
 - SJ Sweep: 
- 所有 SJ 频率都作为这一步的一部分校准。1100 是使用的码型。
 
 - Crosstalk: 
- 这一步在 BERTScope 上校准串扰幅度。信号幅度在 Ch3-Ch4 上校准,使用 BERTScope 时钟输出的 ¼ 速率时钟。
 
 - Eye-Height: 
- 这一步在 BERTScope 上校准眼高。眼高的码型变回一致性测试码型 (对 HBR2 是 CP_2520,对 RBR 和 HBR 是 PRBS-7)。
 
 
测试 DUT 满足 CTS 规范情况
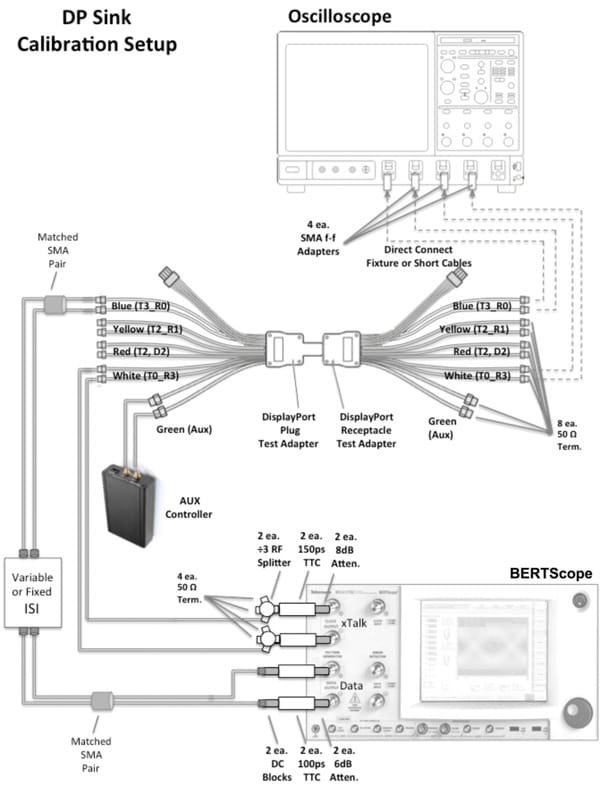
测试设置参见下图:

测试设置
BERTScope 输出规范规定的受压码型,并注入 RJ、SJ 和 ISI 抖动。误码计数器在初始化时清零。在指定时间运行接收端一致性测试。如果接收端 DUT 支持辅助通信,在过了指定测试时间后,将通过读取接收端 DPCD 寄存器来读取误码计数器。
如果接收端设备通过 AUX 通道支持标准 DPCD,那么软件测试应用支持对接收端设备进行自动测试。这一测试要求 Unigraf DPT-200 辅助控制器。测试软件执行链路训练,然后在选定频率执行抖动容限测试。规范中规定了 BER 测量使用的测试矩阵。参见 DisplayPort 1.2 规范表 4-1。在所有测试条件完成后,将生成一致性测试报告。
对一致性测试,在每种测试条件下执行一致性测试已经足够了。但是,通常最好了解设计有多大裕量。通过考虑要测试的最少位数、最大误码数、抖动步长和最小步长,测试软件能够对 DUT 执行裕量测试。另外还可以生成校准和裕量测试图。
技术数据
根据 DP 1.4 标准/Type-C CTS 支持的测量列表
3.1 眼图测试
- 3.2 非预加重电平检验测试
 3.3 预加重电平检验测试
3.4 信号对间时延测试
3.5 信号对内部时延测试
3.10 AC 共模噪声
3.11 非 ISI 抖动测量
3.12.1 总抖动(TJ)和确定性抖动(DJ)测量
3.12.2 随机抖动(RJ)测量
3.14 主链路频率一致性测试
3.15 扩频调制频率
3.16 扩频调制偏差
3.17 dF/dt 扩频偏差 HF 方差
3.18 双模 TMDS 时钟
3.19 双模眼图测试
8.1 AUX 曼彻斯特频道眼图测试
- 8.2 AUX 曼彻斯特频道灵敏度测试
 - 8.5 AUX 涌入测试
 
- 物理特点
 配置 描述 示波器 DPO/MSO71604C 或以上,包括最新 SX 系列示波器及选项 DJA、5XL 和 SDLA64
- 对 RBR 推荐>4 GHz 及以上
 - 对 HBR 推荐 8 GHz 及以上
 - 对 HBR2 推荐 12.5 GHz 及以上
 - 对 HBR3 推荐 16 GHz 及以上
 
探头 P7313SMA x 4 (用于多路测试) 
订货信息
软件订货信息
DP1.4 软件既可以作为米乐m6网页版登录入口示波器升级选项单独订购,也可以与新示波器一起订购。源端和接收端测试的详细产品配置请参阅http://www.tektronix.com/displayport。
| 选项 | 描述 | 
|---|---|
| DP14 | TekExpress DP 1.4 自动合规测试解决方案:仪器许可 | 
| DPOFL-DP14 | TekExpress DP 1.4 自动合规测试解决方案:浮动许可 | 
| DPO-UP DP14 | TekExpress DP 1.4 自动合规测试解决方案:软件升级 | 
| DP12/DPOFL-DP12/DPOFT-DP12 | TekExpress DP 1.2 自动合规测试解决方案,进行向下兼容能力测试 | 
| SWX-DP/DPOFL-SWX-DP/DPOFT-SWX-DP | DisplayPort 测试开关矩阵选项 | 
| SDLA64 | Win7 (64 位) 示波器串行数据链路分析 | 
DisplayPort 测试推荐夹具和附件
| 选项 | 描述 | 
| TF-DP-TPA-P | 标准 DisplayPort 插头夹具 | 
| DP-TPA-A | DisplayPort 辅助控制适配器,来自 Wilder Tech | 
| DPR-100 | DisplayPort 基准接收端辅助控制器,来自 Unigraf | 
| GRL-USB-PD-C1 | C型功率传送控制器,来自Granite River Labs | 
| DP-TPC-PCB | Type-C 插头和控制电路板,来自 Wilder Tech | 
| PSPL5501A (或同等 DC 块) (4 n.o) | DP Type-C 测试推荐 DC 块 | 
DisplayPort 测试的主机系统软件前提要求
| 操作系统 | Windows 7 64位 | 
| 软件 | 
  | 
如需与 DisplayPort 测试有关的更多信息,请访问我们的网站http://www.tek.com/displayport-0
DisplayPort 接收端自动测试推荐软件和设备
| 设备 / 软件 | 描述 | 
|---|---|
| 受压信号发生器 | BERTScope BSX125 | 
| 示波器 | DPO/MSO 71254C/DX (或以上) 及 DPOJET 选项 DJA 和 SDLA64,用来创建 CTLE 滤波器 | 
| 自动测试软件 | 选项 TEK-GRL-DP-SINKSW | 
| 附件 | 描述 | 
|---|---|
| 辅助控制器 | Unigraf DPR-200 (用于 DUT 自动测试) | 
| 配套线对电缆 | 5 对,米乐m6网页版登录入口部件编号:174-4944-xx | 
| ISI 发生器 | Artek CLE1000-A2 | 
| 夹具 | F-DP-TPA-PR,插头和插座夹具 | 
| DC 块 | 每套 2 个;20 GHz DC 块 | 
| 除以 3 分路器 | 每套 2 个; JFW 50PD-292 或同等功能 | 
| 150 ps TTC 滤波器 | 每套 2 个 | 
