
gongjigongyi.com
与米乐m6网页版登录入口代表实时聊天。 工作时间:上午 9:00 - 下午 5:00(太平洋标准时间)。
致电我们
工作时间:上午9:00-下午5:00(太平洋标准时间)
下载
下载手册、产品技术资料、软件等:
反馈
汽车以太网测试解决方案
1000BASE-T1/100BASE-T1(选项 6-CMAUTOEN/5-CMAUTOEN)产品技术资料

主要功能
- 测试时间:通过设置向导实现全面自动化,可根据汽车以太网 1000BASE-T1TM (802.3bp) 和 100BASE-T1 (802.3bwTM) 标准执行一致性测试。软件将根据测试要求自动配置设备,这可缩短整体测试时间。
- 测试覆盖范围:适用于 100BASE-T1 和 1000BASE-T1 的汽车以太网解决方案基于 IEEE 和 Open Alliance 规范设计。测试覆盖范围符合 OPEN Alliance TC8 ECU 测试要求。
- 验证和调试:配套工具(如高级抖动分析)可帮助您在进行一致性测试前或发生故障时找到问题。
- 信号检验:除一致性测试外,还为在不同环境条件下测试 DUT 提供了自动测试和高级抖动分析工具。
- 全方位报告:自动编制报告,包括波形的测试通过/失败截屏。
- 测量精度:5/6 系列 MSO 示波器可提供准确、可重复的结果,其具有 12 位 ADC 垂直分辨率,采样率为 3.125 Gs/s(5 系列 MSO)和 12.5 Gs/s(6 系列 MSO)。
- 回波损耗测量:100/1000BASE-T1 规范规定了“回波损耗”测量,要求使用矢量网络分析仪 (VNA)。通过米乐m6网页版登录入口汽车以太网测试解决方案中的测量方式,设计人员可以使用示波器执行回波损耗测量,而不需要额外的测试设备。
- ECU 时钟访问:“失真”测试需要访问 ECU 时钟,而这在大多数时间是无法实现的。米乐m6网页版登录入口独有的算法软件校正方法允许用户在不连接 ECU 时钟的情况下执行失真测量。此方法适用于 100BASE-T1 和 1000BASE-T1。
- 性能验证:汽车以太网应用允许用户多次运行选定的测试。报告将显示每次运行的通过/不通过结果,以研究不同运行过程中的 ECU 性能。
自动汽车以太网一致性测试
业界制订了物理层一致性测试,以保证不同设计和不同硬件厂商之间的互通性。执行这些测试的要求已经扩展,现在覆盖汽车以太网 1000BASE-T1TM(802.3bp) 和 100BASE-T1 (802.3bwTM)。对于电信号,为物理介质连接 (PMA) 规定了许多特定测试,并且第 1 组主要关注的是发射机。1000BASE-T1 汽车以太网测试要求示波器最少有 2 GHz 的带宽。
| 测试项目 | 测试名称 | 测试模式 | 仪器 |
|---|---|---|---|
| 97.5.3.1 | 发射机输出顶降 | 6 | 2 GHz 示波器 |
| 97.5.3.2 | 发射机失真 | 4 | 2 GHz 示波器和 AWG |
| 97.5.3.3 | 发射机定时抖动(主/从) | 1 | 2 GHz 示波器 |
| 97.5.3.4 | 发射机功率频谱密度 (PSD) | 5 | 2 GHz 示波器 |
| 97.5.3.6 | 发射机时钟频率 | 1 | 2 GHz 示波器 |
| 97.5.3.5 | 峰值差分输出 | 5 | 2 GHz 示波器 |
| 97.7.2.1 | MDI 回波损耗 | 从属 | 2 GHz 示波器和AWG 或米乐m6网页版登录入口 VNA |
| 97.5.3.3 | MDI 抖动 | 2 | 2 GHz 示波器 |
| 测试号 | 测试名称 | 测试模式 | 仪器 |
|---|---|---|---|
| 5.1.1 | 发射机输出顶降 | 1 | 1 GHz 示波器 |
| 5.1.2 | 发射机失真 | 4 | 1 GHz 示波器和AWG/AFG |
| 5.1.3 | 发射机定时抖动 | 2 | 1 GHz 示波器 |
| 5.1.4 | 发射机功率频谱密度 (PSD) | 5 | 1 GHz 示波器 |
| 5.1.5 | 发射机时钟频率 | 2 | 1 GHz 示波器 |
| 5.1.6 | MDI 回波损耗 | 从属 | 1 GHz 示波器和 AWG 或米乐m6网页版登录入口 VNA |
| 5.1.6 | 峰值差分输出 | 5 | 1 GHz 示波器 |
米乐m6网页版登录入口汽车以太网测试解决方案提供了自动一致性测试,以满足 100BASE-T1 (IEEE 802.3bwTM) 和 1000BASE-T1 (IEEE 802.3bpTM) 要求。自动一致性测试解决方案随附测试软件在 1 GHz 或以上 Windows 10 操作系统米乐m6网页版登录入口示波器上运行,执行所有物理层 (PHY) 发射机一致性测试。
一致性测试软件可以全面测试或选择性测试任何发射机电气指标,包括使用示波器全面控制要求的设置。软件设置灵活,可以执行设计验证、裕量分析和可重复一致性测试,同时降低仪器设置难度。此外,软件可以生成完善的带日期标记的测试报告及测试通过/失败结果,显示波形和数据示图。

TekExpress 汽车以太网设置菜单 – 1000BASE-T1
汽车以太网一致性测试软件可以通过简单的 Setup 菜单选择所有或任何特定测试。软件导航采用逻辑化工作流程,可以迅速进行测试设置,改变及复核测试结果。
视被测器件连接、探测、测试夹具、校准及示波器和信号发生器使用情况,测试设置配置变化很大。为帮助测试仪正确设置测量,汽车以太网软件为每项测试提供了设置说明及图像和参考示图,确保设置正确。

设置配置
汽车以太网一致性测试软件要求米乐m6网页版登录入口 5/6 系列 MSO 示波器,并装有选项 5-WIN/6-WIN 或 SUP5-WIN/SUP6-WIN (Microsoft Windows 10)。由于它作为 Windows 应用运行,所以该软件可以共享示波器显示画面。为方便起见,推荐配置是增加一台 PC 显示监视器,与示波器屏幕分开显示一致性测试软件和测试报告。

在单独的监视器上显示一致性测试软件,更简便地分析结果
进行每项测试都要求使用器件供应商提供的专用软件,针对特定操作模式来配置发射机。一旦正确配置了发射机,同时使用了正确的测试夹具和探头,那么可以配置汽车以太网软件设置,与关心的特定测试相匹配。在选择测试后,软件会指引用户执行所有必要的仪器设置。对失真和回波损耗测试,这可能会包括对信号发生器进行必要的设置,以进行这些测试。
失真(有和无 TX_TCLK 访问权限):
失真测试需要使用干扰信号,并且示波器的数据采集时钟是锁定到 DUT TX_TCLK 的频率。米乐m6网页版登录入口通过使用“硬件时钟分路器”方法支持此方法。
大多数 ECU 无法访问 TX_TCLK 信号。米乐m6网页版登录入口开发了适用于 100BASE-T1 和 1000BASE-T1 的独有算法,该算法能够在有干扰的信号上执行软件时钟恢复。该方法不需要访问 DUT 时钟或硬件锁定或时钟分路器装置。

TekExpress 汽车以太网提供外部基准时钟输入源 - 1000BASE-T1
业界规定的测试
为保证硬件互操作能力,测试软件采用 OPEN (单线对以太网) 联盟特殊利益集团 (SIG) 规定的测试方法和测试限制。严格遵循 OPEN 联盟测试套件文档的要求,确保全面支持仪器设置、算法和测试结果。
失真测量
失真测试配置为“支持的 1000BASE-T1/100BASE-T1 测试”表中指明的测试模式,测量允许的最大发射机失真。这一测试要求使用干扰正弦波信号,添加到物理层输出信号中。计算了峰值发射机的畸变,测量值与一致性测试规范进行比较。

失真测量
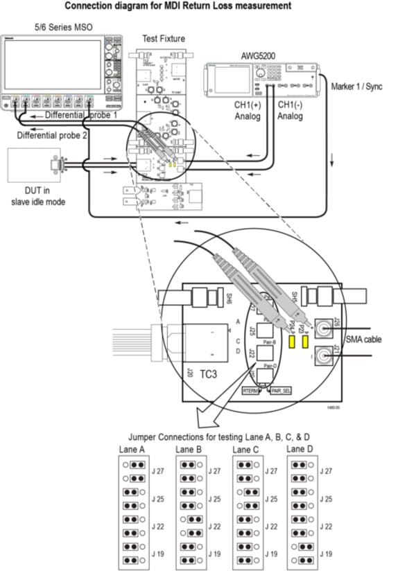
回波损耗测量
MDI 回波损耗测试确定 100 Ω 差分阻抗指标的阻抗不匹配,这将影响硬件互操作能力。可以使用米乐m6网页版登录入口 VNA 执行这一测试,但也可以结合使用米乐m6网页版登录入口 5-CMAUTOEN/6-CMAUTOEN 解决方案与示波器来执行这一测试,其中采用的测量方法,而不需要额外的测试仪器。
适用于“回波损耗”测量的设置配置
“抖动”和“发送时钟频率”测量
物理层有一个符号时钟,是使用“支持的 1000BASE-T1/100BASE-T1 测试“表中指明的测试模式得到的输出。运行不同测试,测量主 (从) RMS 抖动和 TX 时钟频率。
抖动和发送时钟频率测量
顶降测量
使用“支持的 1000BASE-T1/100BASE-T1 测试”表格中指明的测试模式配置物理层。通过确定正和负波形峰值电压,来执行顶降测量。

顶降测量 – 波形的正峰值和负峰值
功率频谱密度 (PSD) 测量
使用内置示波器 MATH 功能,计算输入信号的频谱(设置成“支持的 1000BASE-T1/100BASE-T1 测试”表中指明的测试模式)在信号上进行后期处理,得到 PSD。然后使用上限和下限模板,把计算得出的 PSD 与规范进行对比,得到最终结果。

功率频谱密度 (PSD) 测量
“MDI 抖动”测量
配置成“支持的 1000BASE-T1/100BASE-T1 测试”表中指明的测试模式,发送三个{+1}符号,后面连续跟着三个{-1}符号。测量数据信号的抖动。

“MDI 抖动”测量
验证和调试
通过使用 5/6 系列 MSO,可以在设计早期,在最终一致性测试前简便地完成验证和调试。示波器的标准测量功能与选配的 5-DJA/6-DJA 高级抖动和定时分析软件相结合,支持多种关键一致性测试,包括:
- 时钟频率和发射机幅度及直方图和趋势分析
- 正负顶降测量
- 全面表征抖动性能,包括 TIE 和直方图特点
- 对 PAM3 信号进行眼图分析
这类早期测试提高了通过一致性测试的可能性,同时支持更全面地表征和确定设计裕量。主从抖动测量可能极具挑战性,因为一致性测试极限紧张,需要消除可能的随机抖动源或确定性抖动源。

使用 5/6 系列 MSO 测量和选项 5-DJA/6-DJA 测量进行的发射机主抖动分析,显示时间间隔误差 (TIE) 值为 30.68 ps
确保主从设备之间实现可靠的网络通信,一个主要问题是受到各种干扰源的影响。在 PAM3 信令中,确认可靠运行与识别可能的干扰源或错误情况可能很难区分。
实践证明,眼图分析可以评估复杂的通信信号组成的长数据流。为示波器配置高级抖动和眼图分析软件(选项 5-DJA/6-DJA),可以全面调试和执行抖动、定时和眼图测量。

使用 5/6 系列 MSO 测量和选项 5-DJA/6-DJA 测量进行的发射机主抖动分析,显示时间间隔误差 (TIE) 值为 30.68 ps
信号质量测试
汽车设计人员需要在各种条件下检验电路设计质量,比如不同的温度、电压和振动条件下。除一致性测试外,设计人员需要在各种条件下检验设计质量。5-DJA/6-DJA 高级抖动和定时分析软件允许设计人员配置 1000BASE-T1/100BASE-T1 测量,在不同环境条件下运行测量。设计人员可以在汽车环境中集成测量,使用连续模式运行测量。

物理层抖动/定时分析

差分幅度特点

失真信号眼图分析
“通过/不通过”报告
5-CMAUTOEN/6-CMAUTOEN 支持 MHL 或 PDF 格式的摘要报告,可以迅速简便地编制一致性测试文档。该软件在测试完成时自动生成报告,包括测试通过/失败状态,迅速分析测试结果。报告中还包括测试配置细节、波形图、示波器显示画面和裕量分析,可以深入了解设计特点。

详细的测试报告,显示 PSD 模板测试示图
6 系列 MSO 示波器

6 系列 MSO 示波器
由于高达 8 GHz 模拟带宽、25 GS/s 采样率、最低噪音和最高分辨率,6 系列 MSO 示波器拥有所需的性能,可以以超高的信号保真度和分辨率捕获波形,查看汽车以太网信号小的波形细节。
在您需要捕获高幅度信号,同时又要查看较小的信号细节时,6 系列 MSO 示波器提供了杰出的性能,可以捕获关心的信号,同时最大限度地降低不想要的噪声的影响。6 系列 MSO 示波器的核心是 12 位模数转换器 (ADC),其提供的垂直分辨率是传统 8 位 ADC 的 16倍。
探头和测试夹具
准确的可重复的一致性测试要求接入 PHY 发射机输出和基准时钟,必须支持校准和使用干扰信号。推荐方式是使用米乐m6网页版登录入口 TF-XGbT 以太网夹具和 TF-BRR-CFD 时钟分路器夹具。这些夹具可以支持所有测试设置,同时为探测提供方便的测试点。

TF-XGbT 以太网夹具
如果想直接探测 DUT,应使用 ≥2 GHz 的差分探头。米乐m6网页版登录入口 TDP3500 是推荐用于 1000BASE-T1 测试的差分探头。
订购信息
测量名称和硬件
| 测量 | 需要的硬件 |
|---|---|
| 发射机输出跌落 发射机定时抖动 发射机时钟频率 MDI 抖动 差分输出 发射机功率谱密度 | 带一个探头的 5/6 系列 MSO |
| 发射机失真 | AFG3152C 或 AWG5200 |
| 回波损耗 | 100BASE-T1:AFG3152C 和两个探头或 TTR503 1000BASE-T1:AWG5200 和两个探头或 TTR503 |
- 需要的软件
选项 5-CMAUTOEN/6-CMAUTOEN 或 SUP5-CMAUTOEN/SUP6-CMAUTOEN(TekExpress 汽车以太网一致性测试软件)
- 需要的硬件
1000BASE-T1 5 系列 MSO 示波器(2 GHz 选项 5-BW-2000)或 6 系列 MSO 示波器,最小带宽为 2 GHz(选项 6-BW-2500、6-BW-4000、6-BW-6000、6-BW-8000)
100BASE-T1 5 系列 MSO 示波器(1 GHz 选项 5-BW-1000 或 2 GHz 选项 5-BW-2000)或 6 系列 MSO 示波器,最小带宽为 1 GHz(选项 6-BW-1000、6-BW-2500、6-BW-4000、6-BW-6000、6-BW-8000)
选项 5-WIN/6-WIN 或 SUP5-WIN/SUP6-WIN(可拆卸硬盘,装有 Microsoft Windows 10 操作系统)
- 推荐选项
选项 5-DJA/6-DJA 或 SUP5-DJA/SUP6-DJA(增加高级抖动和眼图分析测量)
选项 5-RL-125M/6-RL-125M 或 SUP5-RL-125M/SUP6-RL-125M(增加 125 M 记录长度)
选项 5-SRAUTO/6-SRAUTO 或 SUP5-SRAUTO/SUP6-SRAUTO(增加 CAN、CAN FD、LIN、FlexRay 串行总线触发和解码)
选项 5-SRAUTOSEN/6-SRAUTOSEN 或 SUP5-SRAUTOSEN/SUP6-SRAUTOSEN,用于 SENT 协议触发和解码器
选项 5-SREMBD/6-SREMBD 或 SUP5-SREMBD/SUP6-SREMBD(增加 I2C、SPI 串行总线触发和解码)
- 探测
- 推荐(要求使用两个):1000BASE-T1 TDP3500 差分探头和 100BASE-T1 TDP1500 或 TDP3500 差分探头
- 信号源 (AWG)
推荐:米乐m6网页版登录入口 AFG3152C 信号源
可支持:米乐m6网页版登录入口 AWG5200,带有高幅度 DC 耦合输出选项或 AWG70000 信号源(用于 1000BASE-T1 回波损耗测量)
- 推荐测试夹具
TF-XGbT 测试夹具
TF-BRR-CFD 时钟分路器(对于用于“失真”测量的硬件时钟为必需)
- 推荐的其他项目
外部电脑监视器
两对 50 Ω 优质 SMA 或同轴电缆(共 4 条电缆),用于 AFG 或 AWG 信号源;所有电缆的长度必须相同
两条 50 Ω 优质同轴电缆,用于时钟分路器输出;两条电缆的长度必须相同
一条 50 Ω 优质 SMA 电缆,用于时钟分路器输入
一条适用于 AFG 或 AWG 信号源的 50 Ω 优质同轴电缆,用于标记输出



