gongjigongyi.com
与米乐m6网页版登录入口代表实时聊天。 工作时间:上午 9:00 - 下午 5:00(太平洋标准时间)。
致电我们
工作时间:上午9:00-下午5:00(太平洋标准时间)
下载
下载手册、产品技术资料、软件等:
反馈
Automotive Ethernet Test Application
Multigigabit Ethernet (Opt. 6-CMAUTOEN10G), 1000/100BASE-T1 (Opt. 6-CMAUTOEN/5-CMAUTOEN), 10BASE-T1S (Opt. 6-CMAUTOEN10, 5-CMAUTON10) Datasheet

Tektronix options CMAUTOEN10G (MultiGBASE-T1), CMAUTOEN (100BASE-T1/1000BASE-T1) and CMAUTOEN10 (10BASE-T1S) comprise the most comprehensive solution for Automotive Ethernet transmitter compliance testing, as well as debug and validation of Automotive Ethernet devices and ECU's, against the IEEE and Open Alliance specifications. The test suite runs on the 5 Series and 6 Series B MSO's, letting you take full advantage of validation and debug capabilities in the oscilloscope, in addition to compliance testing. The integration of Automotive Ethernet is placing greater demands on technology and is placing even greater demands on comprehensive design validation to ensure interoperability between multiple ECU's and reliability in demanding environments. A complete testing solution enables passing strict compliance tests and provides greater confidence in design margins under real-world conditions.
The Tektronix Automotive Ethernet application allows you to select the reference specification, and the test plan depending on the selected specification and currently supports the following data rates and standards:
- 10BASE-T1S as per IEEE 802.3cg and OPEN Alliance TC14.
- 100BASE-T1 as per IEEE 802.3bw and OPEN Alliance TC1.
- 1000BASE-T1 as per IEEE 802.3bp and OPEN Alliance TC12.
- 2.5/5/10GBASE-T1 as per IEEE 802.3ch and OPEN Alliance TC15 1
Features and benefits
Test coverage:Tektronix Automotive Ethernet application covers transmitter compliance tests for 100BASE-T1 (IEEE 802.3bw), 1000BASE-T1 (IEEE 802.3bp), MultiGBASE-T1 (IEEE 802.3ch), and 10BASE-T1S (IEEE 802.3cg) standards through a single Automotive Ethernet compliance application. The application uses the TekExpress automation framework and tests as per IEEE and Open Alliance specification for Tektronix 5 Series and 6 Series B and MSO's.
Test time: Fully automated with setup wizard, configures all required test parameters to perform compliance testing as per Automotive Ethernet standards. Highly optimized and intuitive user interface for quick test configuration and validation of electrical signals.
Accuracy:The 5 Series and 6 Series B MSO's provide accurate and repeatable results with a 12-bit vertical resolution at sampling rates of 3.125 Gs/s (5 Series MSO) and 50 Gs/s (6B Series MSO).
Pattern matching: Verifies that the correct set of compliance patterns are sent by the transmitter before acquiring signals for compliance analysis.
Reporting: Compiles all test results into a customizable report with pass/fail results for easy analysis and record keeping, as well as margin testing.
Compliance and debug: Provides a toolkit of DPOJET based setups to quickly switch into debug and validation mode when a DUT fails compliance.
Analysis and debug tools: Supporting tools, such as TekExpress user defined Mode, advanced DPOJET jitter analysis (Opt. DJA), PAM3 Eye Diagram Analysis (PAM3), and Tektronix patented software based on non-intrusive signal separation tools (Opt. AUTOEN-SS) help to catch problems before compliance testing, or root-cause the problem in the event of a failure.
Performance verification: The Automotive Ethernet application allows you to run a test multiple times and save or stop acquisitions in the event of an out-of-limit condition. The report shows statistics with pass/fail results for each run to show device performance over multiple runs.
PHY level protocol decode: Opt. SR-AUTOETH1 decodes and displays 100BASE-T1 data in a protocol-aware view. A time-correlated event table view with waveforms allow you to quickly search through decoded data for events of interest.
Comprehensive programmatic interface: Enables automation programs and scripts to call Automotive Ethernet test functions.
Automated Automotive Ethernet compliance application
Physical layer compliance tests have been defined to ensure the interoperability between different designs and hardware vendors. Tektronix Automotive Ethernet compliance testing application provides the most comprehensive solution to serve the need of engineers designing Automotive Ethernet silicon or electronic control units (ECU's), as well as those validating physical layer compliance of Automotive Ethernet as per IEEE or Open Alliance specifications.
| 10BASE-T1S | 100BASE-T1 | 1000BASE-T1S | MultiGBASE-T1 | |
|---|---|---|---|---|
| IEEE Specification | 802.3cg | 802.3bw | 802.3bp | 802.3ch |
| Data rate | 10 Mbps | 100 Mbps | 1 Gbps | 2.5/5/10 Gbps |
| Symbol rate | 12.5 MHz | 66.66 MHz | 750 MHz | 1.4/2.8/5.6 GHz |
| Line coding | 4B/5B, DME | PAM3 | PAM3 | PAM4 |
| Voltage | 1 Vpp | 2.2 Vpp | 1.3 Vpp | 1.3 Vpp |
| Communication | Half Duplex | Full Duplex | Full Duplex | Full Duplex |
| Test Name | 10BASE-T1S IEEE 802.3cg and TC14 | 100BASE-T1 IEEE 802.3bw and Open Alliance TC1 | ECU TC8 100/1000BASE-T1 | 1000BASE-T1 IEEE 802.3bp and TC12 | Multigigabit IEEE 802.3ch and TC15 |
|---|---|---|---|---|---|
| Transmitter Output Droop | 147.5.4.2 | 96.5.4.1 | OABR_PMA_TX_01 | 97.5.3.1 | 149.5.2.1 |
| Transmitter Distortion | NA | 96.5.4.2 | OABR_PMA_TX_08 | 97.5.3.2 | NA |
| Transmitter Linearity | NA | NA | NA | NA | 149.5.2.2 |
| Transmitter Timing Jitter in Master/Slave Mode | 147.5.4.3 | 96.5.4.3 | OABR_PMA_TX_02 | 97.5.3.3 | 149.5.2.3 |
| Transmitter MDI Jitter | NA | NA | NA | 97.5.3.3 | NA |
| Tx MDI Random Jitter (Master) | NA | NA | NA | NA | 149.5.2.3.1 |
| Tx MDI Deterministic Jitter (Master) | NA | NA | NA | NA | 149.5.2.3.2 |
| Transmitter Power Spectral Density (PSD) | 147.5.4.4 | 96.5.4.4 | OABR_PMA_TX_04 | 97.5.3.4 | 149.5.2.4 |
| Transmit Clock Frequency | NA | 96.5.6 | OABR_PMA_TX_03 | 97.5.3.6 | 149.5.2.6 |
| Transmitter Peak Differential Output | 147.5.4.1 | 96.5.4.5 | NA | 97.5.3.5 | 149.5.2.5 |
| MDI Return Loss | 146.8.3 | 96.8.2.1 | OABR_PMA_TX_05 | 97.7.2.1 | 149.8.2.1 |
| MDI Mode Conversion | NA | NA | OABR_PMA_TX_06 | NA | NA |
| Common Mode Emission | NA | NA | Only 100BASE-T1 | NA | NA |
Compliance testing for Physical Media Attach (PMA) transmitters
The IEEE and Open Alliance provide compliance tests for an Automotive Ethernet PHY or ECU. As per the IEEE and Open Alliance, we have the following compliance requirements for Automotive Ethernet PHY or ECU.
Compliance testing requires a complex sequence of setting specific test modes, configuring instruments, acquiring data and analyzing it per the test procedure. Manually capturing the required waveforms and analyzing them is tedious, time consuming, and prone to error.
The TekExpress Automotive Ethernet compliance application allows you to automatically execute physical layer electrical tests for transmitter compliance using IEEE and/or Open Alliance (OABR) specifications. The Tektronix Opt. CMAUTOEN10, Opt. CMAUTOEN and Opt. CMAUTOEN10G applications provide automated testing for 10BASE-T1S, 100BASE-T1, 1000BASE-T1 and Multigigabit Ethernet, respectively. All of these standards can be combined and tested from within a common TekExpress test automation platform. The TekExpress Automotive Ethernet application allows you to choose complete or selective testing of any of the transmitter electrical specifications. Tests are configured by following a step-by-step process. The application sets up the oscilloscope and automates testing, guiding you to accurate and repeatable results.
Multigigabit Ethernet PMA transmitter compliance measurements
The IEEE 802.3ch standard defines a physical layer specification for a 10 Gb/s Ethernet full duplex local area network over a single balanced pair of conductors. The physical layer can operate at 2.5 Gb/s, 5 Gb/s or 10 Gb/s with four level Pulse Amplitude Modulation (PAM4). The standard specifies the following test requirements. Each test is performed with a specific test mode pattern.
| Test specification | Test mode | Pattern type | Instrument |
|---|---|---|---|
| Tx Output Droop | 6 | NRZ | Oscilloscope |
| Tx Linearity | 4 | PAM4 | Oscilloscope |
| Tx Timing Jitter (Master and Slave) | 1 | Clock | Oscilloscope |
| Tx MDI Random Jitter (Master Mode) | 2 | Square | Oscilloscope |
| Tx MDI Deterministic Jitter (Master Mode) | 2 | JP03A | Oscilloscope |
| Even odd Jitter (EOJ) | 2 | JP03B | Oscilloscope |
| Tx Power Spectral Density and Power level | 5 | PAM4 | Oscilloscope |
| Tx Clock Frequency | 1 | Clock | Oscilloscope |
| Tx Peak Differential Output | 5 | PAM4 | Oscilloscope |
| MDI Return Loss | Slave | VNA |
| Test specification | Test mode | Pattern type | Instrument |
|---|---|---|---|
| Tx Output Droop | 6 | NRZ | Oscilloscope |
| Tx Distortion | 4 | PAM3 | Oscilloscope |
| Tx Timing Jitter (Master and Slave) | 1 | Clock | Oscilloscope |
| Tx MDI Jitter | 2 | Clock | Oscilloscope |
| Tx Power Spectral Density and Power level | 5 | PAM3 | Oscilloscope |
| Tx Clock Frequency | 1 | Clock | Oscilloscope |
| Tx Peak Differential Output | 5 | PAM3 | Oscilloscope |
| MDI Return Loss | Slave | VNA |
| Test specification | Test mode | Pattern type | Instrument |
|---|---|---|---|
| Tx Output Droop | 1 | NRZ | Oscilloscope |
| Tx Distortion | 4 | PAM3 | Oscilloscope |
| Tx Timing Jitter (Master and Slave) | 1 | Clock | Oscilloscope |
| Tx Power Spectral Density and Power level | 5 | PAM3 | Oscilloscope |
| Tx Clock Frequency | 2 | Clock | Oscilloscope |
| Tx Peak Differential Output | 5 | PAM3 | Oscilloscope |
| MDI Return Loss | Slave | Oscilloscope + AFG | |
| MDI Mode conversion | Slave | VNA | |
| MDI Common mode emission | 5 | PAM3 | Oscilloscope |
| Test specification | Test mode | Instrument |
|---|---|---|
| Tx Output Droop | 2 | Oscilloscope |
| Tx Timing Jitter | 1 | Oscilloscope |
| Tx Power Spectral Density and Power level | 3 | Oscilloscope |
| Tx Peak Differential Output | 1 | Oscilloscope |
| MDI Return Loss | Slave | Oscilloscope + AFG |
The TekExpress Automotive Ethernet automated testing application
The Tektronix TekExpress Automotive Ethernet application reduces test time by using TekExpress automation platform. The navigation in the application follows a logical workflow for quick, easy test setups, changes and review of test results. Valid testing requires proper cabling, probes, and connections between fixtures, instruments, and the device under test (DUT). The TekExpress Automotive Ethernet application provides setup instructions for each test, with images and reference illustrations showing correct configurations. It generates a comprehensive, date-stamped test report with pass/fail results, waveforms, and data plots.
The TekExpress automation platform is an easy to navigate tool with 5 easy steps to perform compliance testing.
Step 1: Selection of test suite

Test selections includes 10BASE-T1S, 100BASE-T1, 1000BASE-T1, and Multigigabit Ethernet. You can select different speed gears for MultiGBASE-T1. The test selection, test limits, and configuration will be selected based on the test suite chosen. You can test using live oscilloscope waveforms or previously recorded waveforms or sessions.
Step 2: Test selection

Based on test suite selected in the DUT panel, the TekExpress Automotive Ethernet application allows you to select the tests. You can select single or multiple tests to perform.
A schematic view and description show the proper connections along with other relevant information and "golden waveform". If you select multiple tests, the application will prompt you to change the DUT test mode or/and any connections during the text execution.

Step 3: Signal validation
It is important to validate the signal parameters before performing a test. The TekExpress application includes intelligence to identify the test mode waveform before running the test. This ensures that the DUT is sending the correct test pattern and if the connection is correct before the test begins.
Step 4: Configuration of User defined and Compliance Mode
The TekExpress Automotive Ethernet application allows you to configure the test in compliance mode or user defined mode. In compliance mode, the application configures all the parameters of oscilloscope as defined in the specification test procedure. It will test the DUT against the limit defined in specification.
In user defined mode, you can change test parameters as well as test limits. User defined mode allows you to test your device beyond compliance test.
Step 5: Preference for multi-run analysis
The TekExpress application allows you to perform multiple runs (Ioops) of one or more tests for statistical analysis. The application allows you to save failing waveforms for debugging.
Test results:



Creating compliance test documentation is quick and easy in the TekExpress application with a summary report in MHL or PDF formats. The TekExpress application generates a report after the test execution is complete, and includes pass/fail status to quickly analyze the test results. The report also includes test configuration details, waveform plots, oscilloscope displays, margin analysis, and statistical analysis to provide insights into your design.
Single instrument for time domain and frequency domain measurements
Automotive Ethernet compliance testing includes time domain measurements such as jitter, droop, peak differential output and clock frequency, as well as frequency domain measurements like power spectral density and return loss. Traditionally, dedicated frequency domain instruments such as spectrum analyzers and vector network analyzers have been required to perform these measurements. Tektronix' patented algorithms allow you to perfrom power spectral density and return loss measurements using the 5 or 6 Series MSO.
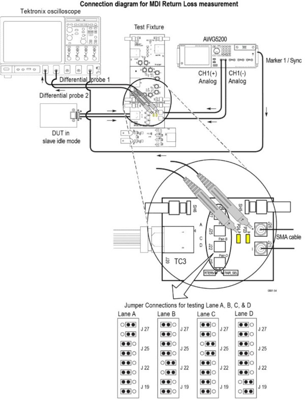
Return loss measurement
The MDI return loss measurement determines
the impedance mismatch from the differential impedance specification of 100 Ω, which
will affect hardware interoperability. The
Tektronix Automotive Ethernet solution can perform this test with an
oscilloscope and function generator using a patented measurement approach. Return loss
using this method is available for 10BASE-T1S, 100BASE-T1, and 1000BASE-T1.

Power spectral density
The power spectral density of a test signal (as per the appropriate test modes for Multigigabit Ethernet/ 1000BASE-T1/100BASE-T1/10BASE-T1S), is computed using built-in MATH functions. Post processing is done on the signal to arrive at the PSD. The computed PSD is then compared with the specification by using lower and upper masks to arrive at the final result.

Debug and validation
Validation and debugging can easily be accomplished early in the design process and ahead of final compliance testing by using the 5 Series and 6 Series B MSO's. The oscilloscope’s standard measurement set, along with Opt. 5-DJA/6-DJA Advanced Jitter and Timing Analysis software, supports several of the key compliance tests including:
Clock frequency and transmitter amplitude with histogram and trend analysis.
Positive and negative droop measurements.
Full characterization of jitter performance including TIE and histogram profiles.
Deterministic and random jitter performance using TIE method.
Eye diagram analysis of PAM3 signals.
This type of early testing increases the likelihood of passing compliance tests, while allowing more complete characterization and determination of design margins. Master and slave jitter measurements can be particularly challenging given the tight compliance limits and the need to eliminate any possible sources of random or deterministic jitter.


Jitter tests quantify the timing variations of the edges of the signal, using specified test patterns. These jitter measurements include the contributions from duty cycle distortion and the baseline wander. Jitter is determined by accumulating waveforms, measuring the width of the accumulated points at the eye crossing. The peak-to-peak is inferred from minimum and maximum values in the tails of the histogram.
The new jitter measurements introduced with Multigigabit Ethernet provides separate limits for Deterministic Jitter (DJ), Even Odd Jitter (EOJ) and Random Jitter (Rj). The DPOJET analysis (Opt. DJA) tool provides additional analysis capabilities like crosstalk or power noise separation which helps to find root cause of the failure.
See the true automotive ethernet signal at system the level (Opt. AUTOEN-SS and Opt. PAM3)
The integration of Automotive Ethernet technology is placing greater demands on comprehensive design validation to ensure interoperability and reliability between multiple ECU's and devices that will perform reliably in demanding environments. To meet strict compliance tests and have greater confidence in design margins operating under real world conditions, a complete testing solution is a necessity.

Automotive Ethernet operates as a full-duplex communication link over a twisted pair cable. The full-duplex communication along with PAM3 signal adds complexity in validating the ECU's in the real-world conditions. To perform signal analysis over the link and to decode the protocol in a real system environment, designers need to look at each link separately which requires them to separate the signals before performing analysis.
Tektronix award winning signal separation solution separates the full-duplex signal using advanced software. The signal separation solution accesses the voltage and current signals from either the Master or Slave test point, or from both sides simultaneously using the Tektronix proprietary Signal Separation algorithm. This method displays true ECU signals (Master and Slave) without impacting the ECU's. Please refer to the datasheet https://download.tek.com/datasheet/PAM3-Datasheet.pdf for more information.
Automotive Ethernet decoder for 100BASE-T1 (Opt. SRAUTOEN1)

The Tektronix protocol decode solution can work with the signal separation technique outlined above, or with a directional coupler. Decoded traffic is displayed in a protocol-aware view with the characters and names that are familiar from the standards such as the ordered sets: SOF, Electrical Idle, and EOF.
Opt. SRAUTOEN1 protocol decode software can easily decode PAM3 encoded 100BASE-T1 signals. This enables the engineers to quickly understand the protocol activity between the Master and Slave ECU. The event tables show decoded traffic with time stamps and are synchronized with waveforms, allowing you to scan through the packets to correlate any errors and signal anomalies.
Key feautures
- Decodes PAM3 encoded 100BASE-T1 signals.
- Decodes Send_N mode packets without any training sequence.
- Validate FCS and reports error packets in red.
- Display the time stamp, packet type, IP source and destination address, decoding of the payload.
- Detail view correlates the decoded packets with waveform using a bus diagram.
- Separately displays Master and Slave packets.
Ordering information
| Standard | Compliance test | Instrument | Model number |
|---|---|---|---|
| MultiGBASE-T1 | Droop, Linearity, Dj and Rj Jitter, Power Spectral Density, Clock frequency, Peak Differential output | Oscilloscope with bandwidth
| MSO6B and DPO70000 SX/DX Series |
| MDI Return Loss | Vector Network Analyzer with bandwidth ≥ 4 GHz | 8.5 GHz ShockLine MS46522B 2-port VNA | |
| 1000BASE-T1 | Droop, Jitter, Power Spectral Density, Clock frequency, Peak Differential output | Oscilloscope with bandwidth ≥ 2 GHz | MSO5/6B or DPO70000 C/SX/DX Series |
| Distortion Test | 2 channel Arbitrary Function Generators with bandwidth ≥ 125 MHz | AFG31000 or AWG5200 Series | |
| MDI Return Loss | Vector Network Analyzer with bandwidth ≥ 1 GHz | 8.5 GHz ShockLine MS46522B 2-port VNA | |
| MDI Mode conversion | Vector Network Analyzer with bandwidth ≥ 1 GHz | 8.5 GHz ShockLine MS46522B 2-port VNA | |
| 100BASE-T1 | Droop, Jitter, Power Spectral Density, Clock frequency, Peak Differential output, Common mode emission | Oscilloscope with bandwidth ≥ 1 GHz | MSO5/6B or DPO70000 C/SX/DX Series |
| Distortion Test | 2 channel Arbitrary Function Generators with bandwidth ≥ 25 MHz | AFG31000 Series | |
| MDI Return loss | Vector Network Analyzer with bandwidth ≥ 1 GHz | 8.5 GHz ShockLine MS46522B 2-port VNA | |
| MDI Mode conversion | Vector Network Analyzer with bandwidth ≥ 1 GHz | 8.5 GHz ShockLine MS46522B 2-port VNA | |
| 10BASE-T1S | Droop, Jitter, Power Spectral Density, Clock frequency, Peak Differential output | Oscilloscope with bandwidth ≥ 350 MHz | MSO5/6B Series |
| MDI Return loss | Arbitrary Function Generators | AFG31000 Series |
Software option
| Standard | Product | Option | Description |
|---|---|---|---|
| MultiGBASE-T1 Compliance | New Instrument order option | Opt. 6-CMAUTOEN10G | TekExpress Automotive Ethernet - MultiGBASE-T1 Compliance Solution (Requires Opt. DJA) |
| Product upgrade option | Opt. SUP6-CMAUTOEN10G | TekExpress Automotive Ethernet - MultiGBASE-T1 Compliance Solution (Requires Opt. DJA); Upgrade | |
| Floating license | Opt. SUP6-AUTOEN10G-FL | TekExpress Automotive Ethernet - MultiGBASE-T1 Compliance Solution (Requires Opt. DJA); Floating | |
| 1000/100BASE-T1 Compliance | New Instrument order option | Opt. 5-CMAUTOEN Opt. 6-CMAUTOEN | TekExpress Automotive Ethernet Compliance |
| Product upgrade option | Opt. SUP5-CMAUTOEN Opt. SUP6-CMAUTOEN | TekExpress Automotive Ethernet Compliance; Upgrade | |
| Floating license | Opt. SUP5-CMAUTOEN-FL Opt. SUP6-CMAUTOEN-FL | TekExpress Automotive Ethernet Compliance; Floating | |
| 10BASE-T1S Compliance | New Instrument order option | Opt. 5-CMAUTOEN10 Opt. 6-CMAUTOEN10 | TekExpress Automotive Ethernet 10BASE-T1S compliance |
| Product upgrade option | Opt. SUP5-CMAUTOEN10 Opt. SUP6-CMAUTOEN10 | TekExpress Automotive Ethernet 10BASE-T1S compliance; upgrade | |
| Floating license | Opt. SUP5-CMAUTOEN10-FL Opt. SUP6-CMAUTOEN10-FL | TekExpress Automotive Ethernet 10BASE-T1S compliance; floating |
Required software
| Standard | Compliance test | Option | Description |
|---|---|---|---|
| MultiGBASE-T1 | DPOJET Analysis | Opt. DJA | Advance Jitter Analysis (Order preinstalled on a new oscilloscope) |
Test Fixtures
| Test Suite | Tektronix Part Number | 3rd Party Part Number | Vendor | Remarks |
|---|---|---|---|---|
| 10BASE-T1S | 640-1028-000 | ETH-TPA-AW-CBL (Soldering type) | Wilder | All Test [Excluding Return Loss] |
| 100BASE-T1 / 1000BASE-T1 | 640-1026-000 | ETH-TPA-AW-MN | Wilder | All Test [Excluding Return Loss & Tx Distortion] |
| 640-1029-000 | ETH-TPA-AW-D | Wilder | Tx Distortion | |
| 640-1028-000 | ETH-TPA-AW-CBL (Soldering type) | Wilder | All Test [Excluding Return Loss & Tx Distortion] | |
| TF-XGBT | N/A | Tektronix | All Test [Including Return Loss, Tx Distortion] | |
| N/A | 02K3E6 K00S3 387390 | Rosenberger | Rosenberger Connector/Adapter for Mode conversion and Return loss measurements | |
| N/A | 02K3E6 S00S3 387391 | |||
| N/A | 02S3E6 S00S3 387392 | |||
| N/A | 02S3E6 K00S3 387393 | |||
| N/A | DCDP for H-MTD | Rosenberger | Protocol decode directional coupler [Supported only for 100BASE-T1 ] | |
| N/A | TF-BRR-CFD | CHS | Clock divider unit for Distortion test | |
| Multigigabit Ethernet | 640-1025-000 | ETH-TPA-AW-M50 | Wilder | All Test [Excluding Return Loss & Tx Distortion] |
| 640-1026-000 | ETH-TPA-AW-MN | Wilder | ||
| 640-1027-000 | ETH-TPA-AW-D | Wilder | ||
| 640-1028-000 | ETH-TPA-AW-CBL (Soldering type) | Wilder | ||
| 640-1029-000 | ETH-TPA-AW-D | Wilder | ||
| 640-1030-000 | ETH-TPA-AW-CM | Wilder |
Software bundles
| Bundle options | Description | Includes |
|---|---|---|
| 5-PRO-AUTO-1Y | 1 Year License Pro Auto Bundle for 5 Series MSO |
|
| 5-PRO-AUTO-PER | Perpetual License Pro Auto Bundle for 5 Series MSO | |
| 6-PRO-AUTO-1Y | 1 Year License Pro Auto Bundle for 6B Series MSO | |
| 6-PRO-AUTO-PER | Perpetual License Pro Auto Bundle for 6B Series MSO |
Probes
| Standard | Compliance test | Description |
|---|---|---|
| MultiGBASE-T1 | TDP3500 | Only for clock measurement |
| 1000BASE-T1 | TDP3500 | All measurements |
| 100BASE-T1 | TDP1500 | All measurements |
| 10BASE-T1S | TDP1500 | All measurements |
MDI Return loss with AWG/AFG method
| Standard | Model Number | Description |
|---|---|---|
| 1000BASE-T1 | AWG5202 with Opt. 250, 2 HV | Tektronix AWG5200 with high amplitude DC coupled with output option |
| TDP3500 (2 nos) | 3.5 GHz Differential Probe with TekVPI™ Probe Interfaces (requires TCA-VPI50 adapter) | |
| 100BASE-T1 | AFG31152 | 1 μHz to 150 MHz sine wave, 2-channel arbitrary function generator |
| TDP1500 (2 nos) | 1.5 GHz Differential Probe with TekVPI™ Probe Interfaces (requires TCA-VPI50 adapter) | |
| 10BASE-T1S | AFG31152 | 1 μHz to 150 MHz sine wave, 2-channel arbitrary function generator |
| TDP1500 (2 nos) | 1.5 GHz Differential Probe with TekVPI™ Probe Interfaces (requires TCA-VPI50 adapter) |
Accessory
| Accessory | Part number | Use case |
|---|---|---|
| Cable (3rd Party) | SMA(f) to SMA(m) phase stable cables and N(m) to SMA(m) adapters (2 nos) | Return Loss and MDI Mode conversion |
| Cal kit for Anritsu (3rd Party) | TOSLKF50A-20 calibration kit | MDI Return and Mode conversion loss |
| Power splitter (3rd Party) | Mini circuit Z99SC-621 | Common mode emission test |



