
新一代宽禁带(WBG)材料,如碳化硅(SiC)和氮化镓(GaN)的使用度正变得越来越高。在电气方面,这些物质比硅和其他典型半导体材料更接近绝缘体。这些物质的采用,旨在克服硅的局限性,而这些局限性源自其是一种窄禁带材料,所以会引发不良的导电性泄漏,且会随着温度、电压或频率的提高而变得更加明显。这种泄漏的逻辑极限是不可控的导电率,相当于半导体运行失效。
在这两种宽禁带材料中,GaN主要适合中低档功率实现方案,大约在1 kV和100 A以下。GaN的一个显著增长领域是它在LED照明中的应用,而且在汽车和射频通信等其他低功率用途中的应用也在增长。相比之下,围绕SiC的技术比GaN发展得更好,也更适合于更高功率的应用,如电动汽车牵引逆变器、电力传输、大型HVAC设备和工业系统。
与Si MOSFETs相比,SiC器件能够在更高的电压、更高的开关频率和更高的温度下工作。在这些条件下,SiC具有更高的性能、效率、功率密度和可靠性。这些优势正帮助设计人员降低功率转换器的尺寸、重量和成本,使其更具竞争力,特别是在利润丰厚的细分市场中,比如航空、军工和电动汽车。
由于SiC MOSFETs能够在基于更小元器件的设计中实现更高的能效,因此其在下一代功率转换设备开发中发挥着至关重要的作用。同时,这种转换还要求工程师重新审视在创建电力电子器件时传统上一直使用的部分设计和测试技术。

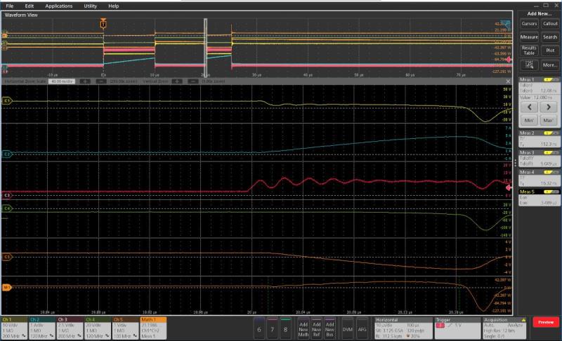
5系MSO示波器上的双脉冲测试软件自动测量启动期间的能量损耗(Eon)和关键定时参数。
挑战……对严格测试的要求不断增长

执行SiC半导体双脉冲测试的设置包括:函数发生器,用来驱动MOSFET栅极;示波器及分析软件,用来测量 VDS 和 ID.
除双脉冲测试外,也就是除了电路级测试外,还有材料级测试、元件级测试和系统级测试都需要进行。测试工具的创新使得处于生命周期各个阶段的设计工程师都能朝着电源转换设备的方向努力,使其能够经济高效地满足严格的设计要求。
米乐m6网页版登录入口为成功实现宽禁带器件提供了多种工具。
下面是米乐m6网页版登录入口为满足当今宽禁带要求提供的部分工具:
准备好针对监管变化和从发电到电动汽车等终端用户设备的新技术需求对设备进行认证,使研发电力电子的公司能够专注于增值创新,为未来发展奠定基础。
